EC92-B310-038 107-006-B-001 Центробежный EC-вентилятор DUNLI
Артикул:
EC92-B310-038 107-006-B-001
18 166 руб./шт
Под заказ
-
+
- Характеристики
- Описание
- Техническая документация
- Задать вопрос
-
Постоянный/переменный ток EC Минимальная температура окружающей среды, °C -20 Максимальная температура окружающей среды, °C +60 Номинальное напряжение, В 220 Скорость вращения, об/мин 1920 Входная мощность, кВт 0,175 Потребляемый ток, A 1.35 Степень защиты IP 44 Вес, кг 3.1kg -
Вентилятор DUNLI EC92-B310-038 107-006-B-001.
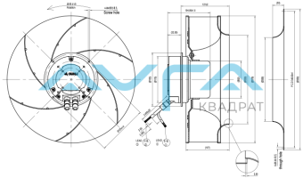
Чертеж вентилятора DUNLI EC92-B310-038 107-006-B-001:

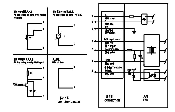
Схема подключения вентилятора DUNLI EC92-B310-038 107-006-B-001:

Характеристики производительности вентилятора DUNLI EC92-B310-038 107-006-B-001:

-
EC92-B310-038 107-006-B-001 (1) Размер: 5,4 мб
-
Вы можете задать любой интересующий вас вопрос по товару или работе магазина.
Наши квалифицированные специалисты обязательно вам помогут.