EC72-B190-B35 063-007-C-310 Центробежный ЕС-вентилятор DUNLI
Артикул:
EC72-B190-B35 063-007-C-310
9 493 руб./шт
Доступно
-
+
- Характеристики
- Описание
- Техническая документация
- Задать вопрос
-
Постоянный/переменный ток EC Минимальная температура окружающей среды, °C -20 Максимальная температура окружающей среды, °C +60 Уровень шума, dB 76 Номинальное напряжение, В 220 Скорость вращения, об/мин 4200 Входная мощность, кВт 0,17 Потребляемый ток, A 1,3 Степень защиты IP 54 Вес, кг 2,55 -
Центробежный вентилятор DUNLI EC72-B190-B35 063-007-C-310 с электронно-коммутируемым двигателем. Благодаря ЕС-двигателю отличается высокой энергоэффективностью и экономичностью, компактными размерами. Применяется для производства промышленного технологического оборудования.
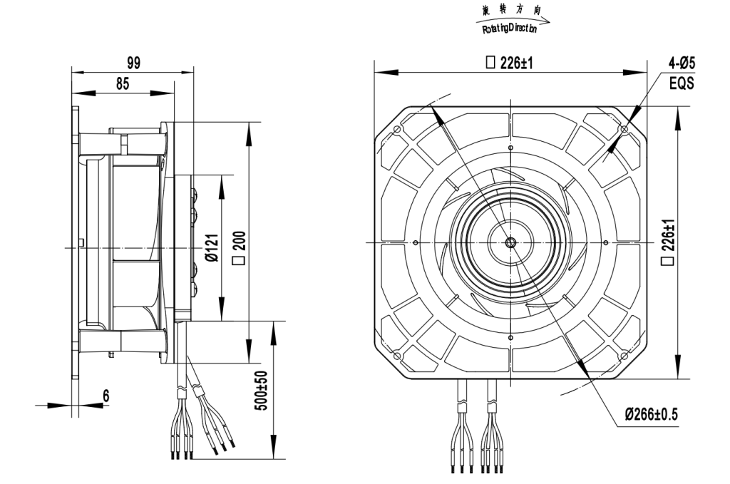
Чертеж вентилятора DUNLI EC72-B190-B35 063-007-C-310:

Схема подключения вентилятора DUNLI EC72-B190-B35 063-007-C-310:

Характеристики производительности по воздуху вентилятора DUNLI EC72-B190-B35 063-007-C-310:

-
EC72-B190-B35 063-007-C-310 Размер: 1,8 мб
-
Вы можете задать любой интересующий вас вопрос по товару или работе магазина.
Наши квалифицированные специалисты обязательно вам помогут.