YWF.B4T-560-243AB20 Центробежный АС-вентилятор DUNLI (для компрессора REMEZA)
Артикул:
YWF.B4T-560-243AB20
37 385 руб./шт
Доступно
-
+
- Характеристики
- Описание
- Техническая документация
- Задать вопрос
-
Постоянный/переменный ток AC Минимальная температура окружающей среды, °C -30 Максимальная температура окружающей среды, °C +50 Номинальное напряжение, В 380 Скорость вращения, об/мин 1400 Входная мощность, кВт 1,46 Потребляемый ток, A 2.7 Степень защиты IP 54 Вес, кг 21 -
Центробежный вентилятор DUNLI YWF.B4T-560-243AB20 с двигателем переменного тока.
Применяется для производства компрессоров REMEZA.
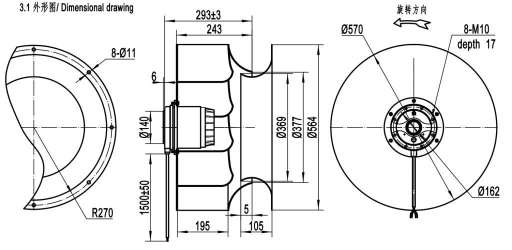
Чертеж вентилятора DUNLI YWF.B4T-560-243AB20:

Характеристики производительности по воздуху вентилятора DUNLI YWF.B4T-560-243AB20:

-
YWF.B4T-560-243AB20 Размер: 4,8 мб
-
Вы можете задать любой интересующий вас вопрос по товару или работе магазина.
Наши квалифицированные специалисты обязательно вам помогут.