Руководство по эксплуатации
Для встроенных вентиляторов с двигателями конструкционных размеров 110 и 138
Тип прибора, дата изготовления (календарная неделя/год выпуска) и маркировка конформности находятся на табличке с указанием типа вентилятора. Если у Вас возникнут вопросы по вентилятору или по поставке запасных частей, сообщите нам, пожалуйста, все данные, находящиеся на табличке с типом вентилятора.
СОДЕРЖАНИЕ
1. ПРЕДПИСАНИЯ И УКАЗАНИЯ ПО ТЕХНИКЕ БЕЗОПАСНОСТИ;
1.1 Электрическое напряжение и ток
1.2 Предохранительные и защитные функции
1.3 Электромагнитное излучение
1.4 Механическое движение
1.5 Горячая поверхность
1.6 Эмиссия
1.7 Транспортировка
1.8 Хранение
1.9 Очищение
1.10 Утилизация
2. ЦЕЛЕСООБРАЗНОЕ ИСПОЛЬЗОВАНИЕ
3. ТЕХНИЧЕСКИЕ ДАННЫЕ
4. ПОДКЛЮЧЕНИЕ И ВВОД В ЭКСПЛУАТАЦИЮ
4.1 Установить механическое подключение
4.2 Установить электрическое подключение
4.3 Подключение в клеммной коробке
4.4 Подключение через проводку гнезда статора
4.5 Защита двигателя
4.6 Соединение нескольких приборов
4.7 Проверка подключений
4.8 Включение прибора
5. ТЕХОБСЛУЖИВАНИЕ, НЕПОЛАДКИ, ВОЗМОЖНЫЕ ПРИЧИНЫ И УСТРАНЕНИЕ НЕИСПРАВНОСТЕЙ
5.1 Проверка техники безопасности;
1. ПРЕДПИСАНИЯ И УКАЗАНИЯ ПО ТЕХНИКЕ БЕЗОПАСНОСТИ
Внимательно прочитайте руководство по эксплуатации, перед тем как начнёте работать с прибором. Обратите внимание на ниже следующие предостережения во избежание неполадок и чтобы не подвергать опасности людей.
Убедитесь, что руководство по эксплуатации находится всегда у вас под рукой при работе с прибором. При продаже или передаче прибора следует передать и руководство по эксплуатации. Для информации о потенциальных опасностях и их предотвращении это руководство может быть размножено и передано третьим лицам.
Используемые символы
Чтобы указать на потенциально опасные ситуации и важные предписания по технике безопасности, в данном руководстве используются следующие символы:
Опасность! Обозначает потенциально опасную ситуацию. Если её не предотвратить, то возникает угроза жизни и здоровью. Работайте чрезвычайно осторожно.
Предостережение! Обозначает возможность возникновения опасной ситуации. Если её не предотвратить, то следствием могут быть повреждения и ранения. Работайте чрезвычайно осторожно.
Осторожно! Обозначает возможность возникновения опасной ситуации. Если её не предотвратить, то следствием могут быть лёгкие или незначительные повреждения или материальный ущерб.
Обратите внимание! Обозначает возможность возникновения нежелательной ситуации. Если её не предотвратить, то следствием может быть материальный ущерб.
Квалификация персонала Устанавливать прибор, делать пробный пуск и выполнять работы по электрике могут только специалисты-электрики. Транспортировать, распаковывать, обслуживать прибор, производить техобслуживание и использовать прибор как-либо иначе могут только обученные и авторизованные специалисты.
Основополагающие правила техники безопасности
При работе с прибором, обратите, пожалуйста, внимание на следующее:
Предостережение! Вращающийся вентилятор: Длинные волосы, свисающие детали одежды и украшения могут запутаться и втянуться в прибор. Вы можете получить травму. → При работе с подвижными частями не надевайте свободную одежду или свешивающиеся части одежды или украшения. Длинные волосы защищайте с помощью головного убора.
– Не производите никаких изменений прибора без одобрения ebm-papst.
1.1 Электрическое напряжение и ток
Регулярно проверяйте электрооборудование прибора. Немедленно исправляйте слабые соединения и повреждённый кабель.
1.2 Предохранительные и защитные функции
Опасность! Отсутствие и бездействие предохранительных устройств Угроза для жизни → Немедленно выключите прибор, если Вы обнаружили, что какое-либо предохранительное устройство либо отсутствует, либо не работает. Данный прибор является встроенным и не работает самостоятельно, Вы, эксплуатируя его, несёте ответственность за то, чтобы обеспечить прибору достаточную степень безопасности.
1.3 Электромагнитное излучение
Воздействие электромагнитного излучения может возникнуть, например, в сочетании с устройствами управления и регулирования. Если во встроенном состоянии возникает недопустимое излучение, то перед вводом в эксплуатацию необходимо принять соответствующие меры экранирования.
1.4 Механическое движение
Опасность! Вращающийся вентилятор: Можно поранить части тела, соприкасающиеся с вращающимся вентилятором. → Обеспечьте условия, не допускающие касания вентилятора. Перед началом работы с оборудованием/станком подождите, пока все движущиеся части не остановятся.
Предостережение! Вылетающие частицы в зоне выдува: Опасность получения травм В случае неисправности могут выбрасываться балансировочные грузики или сломанные лопасти вентилятора. → Чтобы этого не происходило, необходимо принять соответствующие меры безопасности. Не задерживайтесь в зоне выдува.
Осторожно! Вентилятор включается самостоятельно: Опасность получения травм Например, в случае приложенного напряжения двигатель включается автоматически после выпадения сети. → Не задерживайтесь в опасной зоне вентилятора. При выполнении работ на вентиляторе выключайте напряжение сети и убедитесь, что оно не включится самопроизвольно.
1.5 Горячая поверхность
Осторожно! Высокая температура корпуса двигателя: Опасность получения ожогов → Обеспечьте достаточную защиту от касания.
1.6 Эмиссия
Предостережение! В зависимости от условий установки и эксплуатации может возникать уровень звукового давления более 70 дБ(A): Опасность возникновения тугоухости → Примите технические меры безопасности. Обеспечьте обслуживающий персонал соответствующим защитным снаряжением, как, например, фриттером.
1.7 Транспортировка

Осторожно! Транспортировка вентилятора: Опасность порезов и сдавливания → Надевайте защитную обувь и не режущиеся защитные перчатки. Транспортируйте вентилятор только в оригинальной упаковке. Во время всей транспортировки нельзя превышать амплитуду колебаний, указанную в технических данных. Закрепите вентилятор, например, при помощи крепёжного ремня, чтобы он не перемещался.
1.8 Хранение
Храните прибор в сухом, защищённом и чистом месте. Поддерживайте необходимую температуру хранения, см. главу 3, Технические данные. Если прибор долгое время не эксплуатируется, то мы рекомендуем раз в месяц включать его примерно на 15 минут, чтобы привести в движение подшипники.
1.9 Очищение
Обратите внимание! Повреждение прибора при очищении: Возможен сбой в работе → Не очищайте прибор струёй воды или устройством для очистки под высоким давлением. Не используйте кислотные, щелочные и содержащие растворители чистящие средства.
1.10 Утилизация
При утилизации прибора соблюдайте все важные, действующие в Вашей стране требования и предписания.
2. ЦЕЛЕСООБРАЗНОЕ ИСПОЛЬЗОВАНИЕ
Прибор сконструирован исключительно как встроенный вентилятор для перемещения воздуха в соответствии с техническими данными. Любое иное использование или выходящее за пределы указанного считается нецелесообразным и является неправильным использованием прибора. Оборудование при вводе в эксплуатацию должно соответствовать возникающему при эксплуатации механическому, термическому воздействию, а также воздействию, обусловленному сроком службы.
К целесообразному использованию относится также
- эксплуатация прибора со всеми предохранительными устройствами,
- соблюдение руководства по эксплуатации,
- использовать прибор в соответствии с допустимой температурой окружающей среды, см. главу 3, Технические данные.
Нецелесообразное использование В частности, запрещены следующие виды использования вентилятора, они могут привести к возникновению угрозы:
- Перемещение воздуха, содержащего абразивные (изнашивающие) частицы.
- Перемещение воздуха, имеющего сильное коррозийное воздействие.
- Перемещение воздуха, содержащего большое количество пыли, например, вытяжка опилок.
- Перемещение горючих газов/частиц.
- Использование вентилятора вблизи от горючих веществ или компонентов.
- Использование вентилятора во взрывчатой атмосфере.
- Работа вентилятора в качестве конструктивного элемента техники безопасности или для выполнения функций, существенных для обеспечения техники безопасности.
- Использование в медицинских приборах, имеющих функцию поддержания жизнедеятельности или жизнеобеспечения.
- Использование в нестационарном оборудовании, как, например, железнодорожные транспортные средства, воздушные и космические транспортные средства.
- Использование с полностью или частично демонтированными или произвольно изменёнными предохранительными устройствами.
- Использование при очень сильной вибрации, превышающей допустимую циклическую нагрузку.
- Помимо этого, все не указанные в разделе целесообразного использования возможности эксплуатации.
При возникновении особых вопросов воспользуйтесь поддержкой ebm-papst.
3. ТЕХНИЧЕСКИЕ ДАННЫЕ
Более подробные данные для конкретного прибора вы получите по запросу в ebmpapst.
Крепёжные данные Необходимо соблюдать:
- Момент затяжки кабельного ввода: 2,0 Нм
- Момент затяжки крепёжных болтов крышки клеммной коробки : 0,8 Нм
- Класс прочности крепёжных болтов: 8.8
Условия окружающей среды
| Транспортировка & Хранение | Эксплуатация | |
|---|---|---|
| Допустимая температура окружающей среды около двигателя | -40 °C...+80 °C | -25 °C...+40 °C (60 °C) |
| Устойчивость к колебаниям | 1 г (по IEC 60068-2-6) | 0,5 г (по IEC 60068-2-6) |
4. ПОДКЛЮЧЕНИЕ И ВВОД В ЭКСПЛУАТАЦИЮ
4.1 Установить механическое подключение
Смонтируйте прибор в соответствии с его применением. Используйте прибор в соответствии с его классом влаги.
Осторожно! Опасность порезов и сдавливания при извлечении вентилятора из упаковки → Доставайте прибор осторожно за внутреннюю часть лопастей (аксиальный вентилятор), или за колесо вентилятора (радиальный вентилятор) из упаковки. Обязательно избегайте ударов. Надевайте при этом защитную обувь и не режущиеся защитные перчатки. Вынимайте прибор из упаковки вдвоём, если он тяжелее 10 кг.
Предостережение! Горячий корпус двигателя: Опасность возникновения пожара → Убедитесь, что около вентилятора нет горючих и воспламеняющихся материалов.
4.2 Установить электрическое подключение
Электрическое подключение устанавливается после механического подключения.
- Перед подключением прибора убедитесь, что напряжение сети соответствует напряжению вентилятора.
- Проверьте, соответствуют ли данные на табличке с указанием типа вентилятора данным подключения и данным рабочего конденсатора (только в случае однофазных двигателей).
- Используйте только кабель, который раскатан для силы тока в соответствии с табличкой с указанием типа вентилятора.
Опасность! Неисправная изоляция: Угроза жизни при поражении током → Используйте только проводку, которая соответствует предписаниям по установке относительно напряжения, тока, изоляционного материала, допустимой нагрузке и т.д.
4.3 Подключение в клеммной коробке (для аксиальных вентиляторов)
Удалить оболочку проводки подключения Удалите оболочку лишь на столько, чтобы кабельный ввод был плотным, а подключения были разгружены от натяжения (Начальные пусковые моменты см. главу 3 „Технические данные“).
Соединить проводку клеммами
Осторожно! Электрическое напряжение: Вентилятор является встроенным компонентом и не имеет размыкающего Электро- выключателя. → Подключайте вентилятор только к электрическим цепями, которые можно выключать при помощи размыкающего все полюса переключателя. При выполнении работ на вентиляторе необходимо убедиться, сто оборудование/станок, в который встроен вентилятор, не включится снова.
- Откройте клеммную коробку.
- Откройте кабельный ввод
| Аксиальные вентиляторы с двигателями конструктивного размера 110 | Аксиальные вентиляторы с двигателями конструктивного размера 138 |
|---|---|
| поставляются с колпачком и герметичным вкладышем для кабеля с 6 - 12 мм, см. рисунок 2 | поставляются с колпачком и герметичным вкладышем для кабеля с 7 - 14 мм, см. рисунок 2. |
- Снимите колпачок, см. рисунок 3.
- Проведите проводку через кабельный ввод

Рисунок 2. Кабельный ввод с колпачком Рисунок 3. Колпачок снят
- Подсоедините защитное соединение (PE).
- Подключите остальную проводку к соответствующим клеммам, см. рисунок 4.
- Подключите термоэлектрическое реле (TW).
При подключении к клеммам следите за тем, чтобы кабели не раскрутились.

Рисунок 4: Подсоединение проводки к клеммам
Клеммная колодка защищена от просовывания насквозь. – Вводите многопроволочные провода до упора. Между клеммой и кабельным вводом, не должно быть напряжения. Кабель должен быть разгружен от натяжения.
Область клемм: -однопроволочный до 4 ммл и тонкопроволочный до 2,5 ммл
Вдоль кабеля в направлении кабельного ввода не должна проникать вода. Кабель должен быть разгружен от натяжения.
Положение встраивания вентилятора: Вал вертикально, ротор внизу Следите затем, чтобы кабель был проложен в форме петли („Водяной мешок“ - см. рисунок 5). Рисунок 5: Вентилятор, встроенный в положении лёжа (Вал вертикально, ротор внизу), Прокладка кабеля в виде "водяного мешка" Положение встраивания вентилятора: Вал горизонтально Следите при прокладывании кабеля затем, чтобы кабельные вводы располагались внизу, см. рисунок 6. Кабели должны всегда поводиться вниз.

Положение встраивания вентилятора: Вал горизонтально Следите при прокладывании кабеля затем, чтобы кабельные вводы располагались внизу, см. рисунок 6. Кабели должны всегда поводиться вниз


Рисунок 7: Однофазный конденсаторный двигатель, конструкция с термоэлектрическим реле
- U1 = синий
- U2 = чёрный
- Z = коричневый
- PE = зелёный/жёлтый
- TW = серый
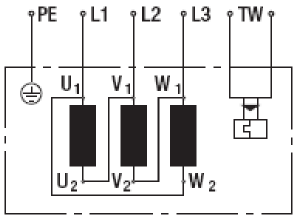
Рисунок подключения трёхфазного электродвигателя

Рисунок 8: Схема-звезда, конструкция с термоэлектрическим реле

Рисунок 9: Схема-треугольник, конструкция с термоэлектрическим реле
- U1 = чёрный
- U2 = зелёный
- V1 = синий
- V2 = белый
- W1 = коричневый
- W2 = жёлтый
- PE = зелёный / жёлтый
Поворот направления вращения сменой двух фаз.
Рисунок подключения однофазного конденсаторного двигателя
- U1 = синий
- U2 = чёрный
- Z = коричневый
- PE = зелёный/жёлтый
- TW = серый
Рисунок подключения трёхфазного электродвигателя

Рисунок 11: Схема-звезда, конструкция с термоэлектрическим реле
- U1 = чёрный
- U2 = зелёный
- V1 = синий
- V2 = белый
- W1 = коричневый
- W2 = жёлтый
- PE = зелёный/ жёлтый

Рисунок 12: Схема-треугольник, конструкция с термоэлектрическим реле
4.4 Подключение через проводку гнезда статора (для радиальных вентиляторов)
| Конструкционный размер двигателя | Длина кабеля* |
|---|---|
| 110 | 800 мм |
| 138 | 1000 мм |
Соедините проводку в соответствии с Вашим видом использования. Удалить оболочку проводки подключения*

В случае однофазных двигателей следите за тем, чтобы одновременно подключить конденсаторы.
4.5 Защита двигателя
Для защиты приборов двигатели сконструированы с термоэлектрическим реле. Позаботьтесь о том, чтобы перед каждым вводом в эксплуатацию термоэлектрическое реле было подключено надлежащим образом, и проверяйте это. Претензии на дефекты не принимаются, если термоэлектрическое реле подключено неправильно.
Опасность! Отсутствие защиты двигателя: Двигатель нагревается. Можно поранить части тела, соприкасающиеся с двигателем. → Подключите термоэлектрическое реле, встроенное в обмотку. Вставьте выведенное термоэлектрическое реле в цепь управляющего тока так, чтобы в случае неполадок после охлаждения не произошло самостоятельное включение.
Рисунок 13: Схема подключения переключателя защиты двигателя Трёхфазный ток

Рисунок 14: Схема подключения переключателя защиты двигателя Однофазный
Обратите внимание! Отсутствие защиты двигателя: Двигатель перегревается и из-за этого может повредиться. Двигатель не включается самостоятельно. → Выясните источник неисправности и устраните неисправность. Подключите встроенное в обмотку термоэлектрическое реле.
Управление напряжением: В случае регулировки числа оборотов трансформаторами или электроприборами регулирования напряжения (например, фазовая отсечка) может произойти усиление тока. В случае фазовой отсечки могут, помимо этого, в зависимости от вида встраивания прибора, возникать шумы.
* В конкретном случае эксплуатации возможны отклонения
Статический преобразователь частоты:Для эксплуатации на статических преобразователях частоты вмонтируйте между статическим преобразователем и двигателем действующий на все полюса синусоидальный фильтр (фаза- фаза и фаза -земля).
4.6 Соединение нескольких приборов
Если Вы хотите соединить несколько приборов, тона клеммной коробке вы можете пробить ещё второе отверстие для ввода, чтобы проложить дополнительную проводку.
Предупреждение! Электрическое напряжение на кабельном вводе: Электрическое поражение → В случае пластмассовой клеммной коробки не используйте кабельные вводы из металла
- Вверните кабельный ввод (размера M20) при помощи гаечного ключа в предварительно сделанную резьбу. При этом обратите внимание на момент затяжки, см. главу 3, Технические данные.
- Удалите кусочек пластмассы, получившийся при пробивании внутри клеммной коробки.

При подключении соблюдайте указания Главы 4.2, Установить электрическое подключение и Главы 4.3, Подключение в клеммной коробке.
4.7 Проверка подключений
Опасность! Электрическое напряжение на приборе: Электрическое поражение → Всегда устанавливайте защитное соединение. При этом убедитесь, что напряжение отсутствует. Удостоверьтесь, что самопроизвольное включение не произойдёт.
- Проверьте, что соединяющая проводка проходит в надлежащем месте.
- Снова ввинтите кабельный ввод.
- Убедитесь, кабельный ввод затянут прочно.
- Затяните кабельный ввод так, чтобы не смогла проникнуть вода. См. главу 3, раздел Данные крепления, максимальный момент затяжки
- Снова завинтите клеммную коробку. См. главу 3, раздел Данные крепления, максимальный момент затяжки
Убедитесь, что после завершения работ клеммная коробка полностью закрыта и герметична и все гайки затянуты как надо. Автоматический предохранительный выключатель, действующий при появлении тока утечки
Допустимы исключительно предохранительные устройства тока утечки, чувствительные к постоянному и переменному току (Тип B). Защищать людей с помощью предохранительных устройств тока утечки при использовании прибора, а также в случае статических преобразователей частоты не возможно.
4.8 Подключение прибора
Перед подключением проверьте прибор на визуальные повреждения и работоспособность предохранительных устройств.
5. ТЕХОБСЛУЖИВАНИЕ, НЕИСПРАВНОСТИ, ВОЗМОЖНЫЕ ПРИЧИНЫ И УСТРАНЕНИЕ НЕИСПРАВНОСТЕЙ
| Неисправность/Неполадка | Возможная причина | Возможное устранение неисправности |
|---|---|---|
| Двигатель не вращается | Механическая блокировка | Выключить, убрать напряжение, и убрать механическую блокировку |
| Неисправное напряжение сети | Проверить напряжение сети, восстановить напряжение | |
| Неправильное подключение | Исправить подключение, см. расположение выводов | |
| Сработало термоэлектрическое реле | Охладить двигатель, найти и устранить причину неисправности, при необходимости убрать блокировку повторного включения | |
| Превышение допустимой температуры двигателя | Температура окружающей среды слишком высокая | По возможности снизить температуру окружающей среды |
| Неисправность системы охлаждения | Исправить систему охлаждения | |
| Недопустимая рабочая точка | Перепроверить рабочую точку; например, в случае аксиальных вентиляторов сократить сопротивление дросселирования |
При возникновении иных неисправностей, свяжитесь, пожалуйста, с ebmpapst.
5.1 Проверка техники безопасности
| Что нужно проверять? | Как перепроверять? | Как часто |
|---|---|---|
| Обшивка, защищающая при касании | Визуальный контроль | Минимум каждые полгода |
| Вентилятор на повреждения | Визуальный контроль | Минимум каждые полгода |
| Крепление вентилятора | Визуальный контроль | Минимум каждые полгода |
| Крепление проводки подключения | Визуальный контроль | Минимум каждые полгода |
| Крепление подключения защитного соединения | Визуальный контроль | Минимум каждые полгода |
| Изоляция проводки | Визуальный контроль | Минимум каждые полгода |
| Герметичность кабельного ввода (только при подключении через клеммную коробку) | Визуальный контроль | Минимум каждые полгода |
| Отверстие для конденсата на засорение | Визуальный контроль | Минимум каждые полгода |