LXFB2E190/40-P92/15 Вентилятор Weiguang радиальный с диффузором
Артикул:
LXFB2E190/40-P92/15
Под заказ
Наши менеджеры обязательно свяжутся с вами и уточнят условия заказа
- Характеристики
- Описание
- Техническая документация
- Задать вопрос
-
Постоянный/переменный ток AC Номинальное напряжение, В 230 Скорость вращения, об/мин 2670 Входная мощность, кВт 0,05 Потребляемый ток, A 0,23 -
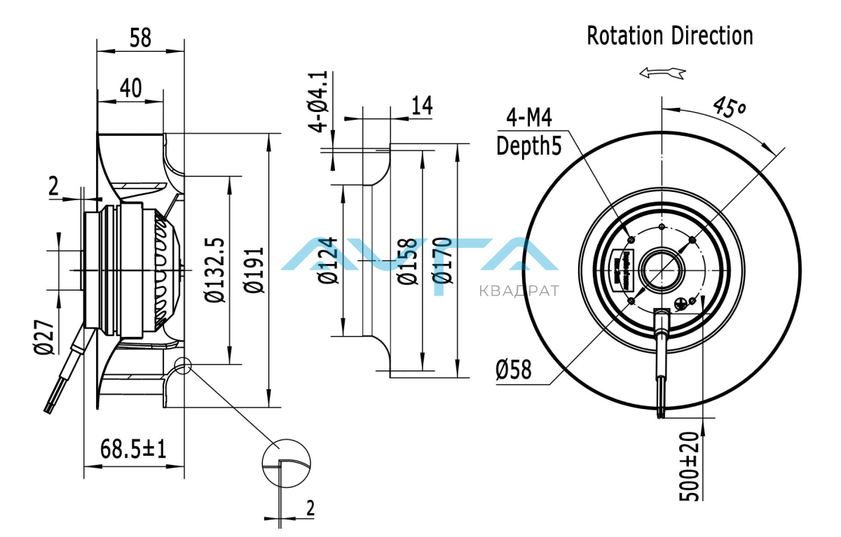
Чертеж вентилятора LXFB2E190/40-P92/15
Схема подключения вентилятора LXFB2E190/40-P92/15

Характеристики производительности по воздуху

-
LXFB2E190-40-P92-15-AA01 230V 50HZ 68.5mm Размер: 522,9 кб
-
Вы можете задать любой интересующий вас вопрос по товару или работе магазина.
Наши квалифицированные специалисты обязательно вам помогут.

