RLF 35-8/14 NR Вентилятор компактный ebmpapst
- Характеристики
- Описание
- Техническая документация
- Задать вопрос
-
Постоянный/переменный ток DC Минимальная температура окружающей среды, °C -20 [°C] Максимальная температура окружающей среды, °C 70 [°C] Количество фаз 1 Номинальное напряжение, В 24 Скорость вращения, об/мин 6700 Входная мощность, кВт 0,0043 Потребляемый ток, A 0.18 [A] Диаметр крыльчатки, мм 51 Вес, кг kg 0.036 KLM -
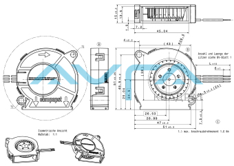
Чертеж изделия

Электрические рабочие данные
Условия измерений
Нормальная плотность воздуха = 1,2 кг / м3; Температура 23 ° C +/- 3 ° C; Ось мотора горизонтальная; Разогрев время до измерения 5 минут (если не указано иное). В зоне входа и выхода не должно быть никаких твердых преград в пределах 0,5 м.
∆p = 0: соотв. для свободного воздушного потока
I: соотв. к среднеквадратичному линейному токуФункции Состояние Обозначение Значения Диапазон напряжения V 14 V 28 V Номинальное напряжение UN 24 V Потребляемая мощность
Допуск
∆p = 0 P 1,6 W
+- 17,5 %4,3 W
+- 12,5 %6 W
+- 17,5 %Потребляемый ток
Допуск
∆p = 0 I 113 mA
+- 17,5 %180 mA
+- 12,5 %215 mA
+- 17,5 %Скорость
Допуск
∆p = 0 n 4.400 1/min
+- 15 %
6.700 1/min
+- 15 %
7.450 1/min
+- 15 %
Пусковой ток потребление < 370 mA
Электрические характеристики

Аэродинамические характеристики


Условия измерений
Измерено с помощью двухкамерной всасывающей установки в соотв. согласно DIN EN ISO 5801.
Нормальная плотность воздуха = 1,2 кг / м3; Температура 23 ° C +/- 3 ° C;
В зоне входа и выхода не должно быть никаких твердых препятствий в пределах 0,5 м. Вал двигателя горизонтально.
Информация действительна только при указанных условиях испытаний и может быть изменена условия установки. Если есть отклонения от стандартных условий испытаний, характеристические значения должны быть проверены в установленных условиях.а) Условия эксплуатации:
6.700 обр 1 / мин при свободном потоке воздуха; Частота: 50 Гц;
Максимум. свободный поток воздуха (∆p = 0 / V = макс.) 9,6 м3 / ч Максимум. статическое давление (∆p = макс. / V = 0) 170 Па -
9591904109_RLF35-8(14NR__PDB_EN Размер: 351,8 кб
-
Вы можете задать любой интересующий вас вопрос по товару или работе магазина.
Наши квалифицированные специалисты обязательно вам помогут.

