RLF 100-11/12 Вентилятор компактный ebmpapst
- Характеристики
- Описание
- Техническая документация
- Задать вопрос
-
Постоянный/переменный ток DC Минимальная температура окружающей среды, °C -20 [°C] Максимальная температура окружающей среды, °C 75 [°C] Количество фаз 1 Номинальное напряжение, В 12 Скорость вращения, об/мин 5100 Входная мощность, кВт 0,008 Потребляемый ток, A 0.67 [A] Диаметр крыльчатки, мм 127 Вес, кг kg 0.3 KLM -
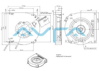
Чертеж изделия

Схема подключения

№ Провода Цвет Операция 1 Красный + UB 2 Голубой - GND
Электрические рабочие данные
Условия измерений
Нормальная плотность воздуха = 1,2 кг / м3; Температура 23 ° C +/- 3 ° C; Ось мотора горизонтальная; Разогрев время до измерения 5 минут (если не указано иное). В зоне входа и выхода не должно быть никаких твердых преград в пределах 0,5 м.
∆p = 0: соотв. для свободного воздушного потока
I: соотв. к среднеквадратичному линейному току

Функции Состояние Обозначение Значения Диапазон напряжения V 8 V 15 V Номинальное напряжение UN 12 V Потребляемая мощность
Допуск
∆p = 0 P 3,4 W
+- 17,5 %8 W
+- 12,5 %14 W
+- 15 %Потребляемый ток
Допуск
∆p = 0 I 440 mA
+- 17,5 %670 mA
+- 12,5 %930 mA
+- 15 %Скорость
Допуск
∆p = 0 n 3.700 1/min
+- 12,5 %
5.100 1/min
+- 7,5 %
6.000 1/min
+- 10 %
Пусковой ток потребление <= 2.100 mA
Аэродинамические характеристики


Условия измерений
Измерено с помощью двухкамерной всасывающей установки в соотв. согласно DIN EN ISO 5801.
Нормальная плотность воздуха = 1,2 кг / м3; Температура 23 ° C +/- 3 ° C;
В зоне входа и выхода не должно быть никаких твердых препятствий в пределах 0,5 м. Вал двигателя горизонтально.
Информация действительна только при указанных условиях испытаний и может быть изменена условия установки. Если есть отклонения от стандартных условий испытаний, характеристические значения должны быть проверены в установленных условиях.а) Условия эксплуатации:
5.100 об 1 / мин при свободном потоке воздуха; Частота: 50 Гц;
Максимум. свободный поток воздуха (∆p = 0 / V = макс.) 64,0 м3 / ч Максимум. статическое давление (∆p = макс. / V = 0) 415 Па -
RLF_100_11_12_EN Размер: 357,8 кб
-
Вы можете задать любой интересующий вас вопрос по товару или работе магазина.
Наши квалифицированные специалисты обязательно вам помогут.

