RL 90-18/50 Вентилятор компактный ebmpapst
- Характеристики
- Описание
- Техническая документация
- Задать вопрос
-
Постоянный/переменный ток AC Минимальная температура окружающей среды, °C -10 [°C] Максимальная температура окружающей среды, °C 60 [°C] Количество фаз 1 Номинальное напряжение, В 230 Скорость вращения, об/мин 2450 Входная мощность, кВт 0,021 Потребляемый ток, A 5.6 [A] Диаметр крыльчатки, мм 121 Вес, кг kg 0.68 KLM -
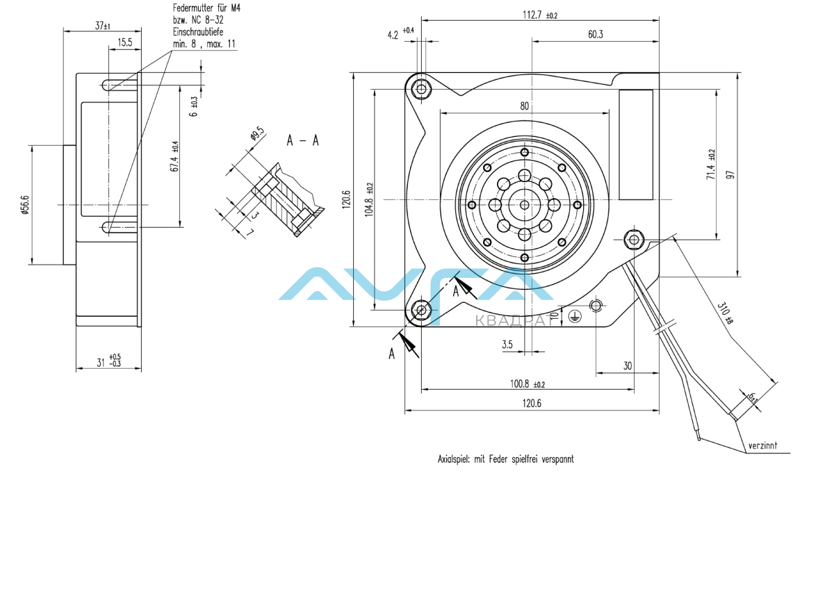
Чертеж изделия

Схема подключения

№ Провода Цвет Операция 1 Черный L 2 Черный
N
Электрические рабочие данные
Условия измерений
Нормальная плотность воздуха = 1,2 кг / м3; Температура 23 ° C +/- 3 ° C; Ось мотора горизонтальная; Разогрев время до измерения 5 минут (если не указано иное). В зоне входа и выхода не должно быть никаких твердых преград в пределах 0,5 м.
∆p = 0: соотв. для свободного воздушного потока
I: соотв. к среднеквадратичному линейному току

Функции Состояние Обозначение Значения Частота ∆p = 0 f 50 Hz 60 Hz Номинальное напряжение ∆p = 0 UN 230 V
+ 6 % - 10 %230 V
+ 6 % - 10 %Потребляемая мощность
Допуск
∆p = 0 P 21 W
+ 5 % - 10 %20 W
+ 6 % - 10 %Скорость
Допуск
∆p = 0 n 2.450 1/min
+- 3 %
2.550 1/min
+- 3 %
Аэродинамические характеристики

Условия измерений
Измерено с помощью двухкамерной всасывающей установки в соотв. согласно DIN EN ISO 5801.
Нормальная плотность воздуха = 1,2 кг / м3; Температура 23 ° C +/- 3 ° C;
В зоне входа и выхода не должно быть никаких твердых препятствий в пределах 0,5 м. Вал двигателя горизонтально.
Информация действительна только при указанных условиях испытаний и может быть изменена условия установки. Если есть отклонения от стандартных условий испытаний, характеристические значения должны быть проверены в установленных условиях.а) Условия эксплуатации:
2.450 об 1 / мин при свободном потоке воздуха; Частота: 50 Гц;
Максимум. свободный поток воздуха (∆p = 0 / V = макс.) 35,0 м3 / ч Максимум. статическое давление (∆p = макс. / V = 0) 90 Па б) Условия эксплуатации:
2.550 об 1 / мин при свободном потоке воздуха; Частота: 50 Гц;
Максимум. свободный поток воздуха (∆p = 0 / V = макс.) 37,0 м3 / ч Максимум. статическое давление (∆p = макс. / V = 0) 130 Па -
RL90-18_50_en Размер: 573 кб
-
Вы можете задать любой интересующий вас вопрос по товару или работе магазина.
Наши квалифицированные специалисты обязательно вам помогут.

