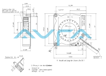
RL 90-18/14 N Вентилятор компактный ebmpapst
- Характеристики
- Описание
- Техническая документация
- Задать вопрос
-
Постоянный/переменный ток DC Номинальное напряжение, В 24 Скорость вращения, об/мин 2500 Входная мощность, кВт 0,0056 Вес, кг 0,42 кг -
Схема подключения

- Красный
- Черный
Электрические рабочие данные
Условия измерений
Нормальная плотность воздуха = 1,2 кг / м3; Температура 23 ° C +/- 3 ° C; Ось мотора горизонтальная; Разогрев время до измерения 5 минут (если не указано иное). В зоне входа и выхода не должно быть никаких твердых преград в пределах 0,5 м.
∆p = 0: соотв. для свободного воздушного потока I: соотв. к среднеквадратичному линейному току
Особенности Состояние Обозначение Значения Диапазон напряжения U 12 V
28 V Номинальное напряжение UN
24 V
Потребляемая мощность
Допуск
∆p = 0 P 1,2 W
+- 17,5 %5,6 W
+- 12,5 %7,8 W
+- 15,0 %Потребление тока
Допуск
∆p = 0 I 104 mA
+-17,5 %
234 mA
+- 12,5 %
279 mA
+- 15,0 %
Скорость
Допуск
∆p = 0 n 1.410 1/min
+- 12,5 %2 500 1/min
+- 7,5 %2.820 1/min
+- 10,0 %
Электрические характеристики
Электронная функция Нет
Аэродинамические характеристики
Условия измерений
Измерено с помощью двухкамерной всасывающей установки в соотв. согласно DIN EN ISO 5801. Нормальная плотность воздуха = 1,2 кг / м3; Температура 23 ° C +/- 3 ° C; В зоне входа и выхода не должно быть никаких твердых препятствий в пределах 0,5 м. Информация действительна только при указанных условиях испытаний и может быть изменена условия установки. Если есть отклонения от стандартных условий испытаний, характеристические значения должны быть проверены в установленных условиях.
Условия эксплуатации:
2 500 об / мин при свободном потоке воздуха
Максимум. свободный поток воздуха (∆p = 0 / V = макс.) 40,0 м3 / ч Максимум. статическое давление (∆p = макс. / V = 0) 120 Па
-
RL_90_18_14_N_EN Размер: 349,6 кб
-
Вы можете задать любой интересующий вас вопрос по товару или работе магазина.
Наши квалифицированные специалисты обязательно вам помогут.

