RL 48-19/14/2 Вентилятор компактный ebmpapst
- Характеристики
- Описание
- Техническая документация
- Задать вопрос
-
Постоянный/переменный ток DC Номинальное напряжение, В 24 Скорость вращения, об/мин 4400 Входная мощность, кВт 0,005 Вес, кг 0,075 кг -
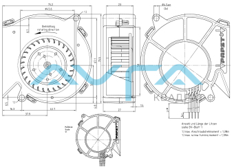
Вентилятор компактный RL 48-19/14/2 ebm-papst — это надежное устройство, обеспечивающее стабильный и эффективный воздушный поток для вентиляции и охлаждения оборудования. Отличается долговечностью, низким уровнем шума и подходит для применения в промышленных и коммерческих системах.
Технические характеристики устройства RL 48-19/14/2
- Тип: осевой DC-вентилятор
- Производитель: ebm-papst
- Габариты: 48 × 48 × 19 мм
- Напряжение питания: 12 В DC
- Частота вращения: ≈ 4 000 об/мин
- Потребляемая мощность: ≈ 4,8 Вт
- Максимальный воздушный поток: до 25 м³/ч
- Уровень шума: ≈ 29 дБ(A)
- Подшипники: подшипники скольжения для длительного срока службы
- Материал корпуса: прочный пластик
- Материал рабочего колеса: высокопрочный пластик
- Степень защиты: IP40
- Температурный диапазон работы: от −20 °C до +70 °C
Области применения
- Охлаждение электроники и промышленных устройств
- Вентиляция серверных шкафов и телекоммуникационных систем
- Компактные системы кондиционирования и охлаждения
- Промышленные установки с постоянной эксплуатацией
- Приборы и устройства с высокими требованиями к охлаждению
Преимущества
- Высокая эффективность воздушного потока при низком уровне шума
- Долговечность и надежность работы благодаря качественным подшипникам
- Компактные размеры и удобство установки
- Прочный корпус, устойчивый к внешним воздействиям
- Экономичное потребление энергии
Аксессуары
- Защитные решетки для предотвращения попадания посторонних предметов
- Фланцы и крепежные элементы для монтажа в воздуховоды
- Антивибрационные прокладки для снижения шума и вибраций
- Кабели питания и коннекторы для интеграции в систему
Схема подключения
- Красный
- Синий
- Белый
Электрические рабочие данные
Условия измерений
Нормальная плотность воздуха = 1,2 кг / м3; Температура 23 ° C +/- 3 ° C; Ось мотора горизонтальная; Разогрев время до измерения 5 минут (если не указано иное). В зоне входа и выхода не должно быть никаких твердых преград в пределах 0,5 м.
∆p = 0: соотв. для свободного воздушного потока I: соотв. к среднеквадратичному линейному току
Особенности Состояние Обозначение Значения Диапазон напряжения U 18 V
26,4 V Номинальное напряжение UN
24 V
Потребляемая мощность
Допуск
∆p = 0 P 2,4 W
+- 17,5 %5,0 W
+- 12,5 %5,4 W
+- 17,5 %Потребление тока
Допуск
∆p = 0 I 135 mA
+-17,5 %
210 mA
+- 12,5 %
205 mA
+- 17,5 %
Скорость
Допуск
∆p = 0 n 3.590 1/min
+- 15,0 %4 400 1/min
+- 10,0 %4.590 1/min
+- 15,0 %
Электрические характеристики
Электронная функция Нет
Аэродинамические характеристики
Условия измерений
Измерено с помощью двухкамерной всасывающей установки в соотв. согласно DIN EN ISO 5801. Нормальная плотность воздуха = 1,2 кг / м3; Температура 23 ° C +/- 3 ° C; В зоне входа и выхода не должно быть никаких твердых препятствий в пределах 0,5 м. Информация действительна только при указанных условиях испытаний и может быть изменена условия установки. Если есть отклонения от стандартных условий испытаний, характеристические значения должны быть проверены в установленных условиях.
Условия эксплуатации:
4 400 об / мин при свободном потоке воздуха
Максимум. свободный поток воздуха (∆p = 0 / V = макс.) 28,0 м3 / ч Максимум. статическое давление (∆p = макс. / V = 0) 165 Па
Цены на сайте компании могут отличаться от действующего прайс-листа. Чтобы купить оборудовние, уточнить актуальные цены или наличие артикула товара на складе свяжитесь с нашими менеджерами по контактным телефонам указанным на сайте. Для сравнения и выбора нужной модели используйте фильтры, чтобы осортировать товары по брендам и другим характеристикам. Работаем по Москве и по другим регионам России. Уточняйте информацию по условиям оплаты и срок доставки для каждого региона. Заказы принимаются от 1 штуки. -
9592207006_RL48-19(14(2__PDB_EN Размер: 571,9 кб
-
Вы можете задать любой интересующий вас вопрос по товару или работе магазина.
Наши квалифицированные специалисты обязательно вам помогут.

