RL 48-19/12 Вентилятор компактный ebmpapst
- Характеристики
- Описание
- Техническая документация
- Задать вопрос
-
Постоянный/переменный ток DC Номинальное напряжение, В 12 Скорость вращения, об/мин 4400 Входная мощность, кВт 0,005 Вес, кг 0,075 кг -
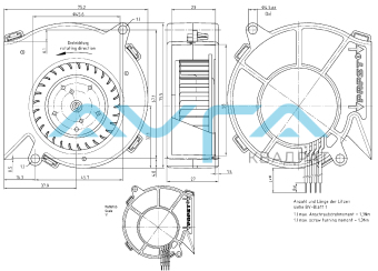
Схема подключения

- Красный
- Синий
Электрические рабочие данные
Условия измерений
Нормальная плотность воздуха = 1,2 кг / м3; Температура 23 ° C +/- 3 ° C; Ось мотора горизонтальная; Разогрев время до измерения 5 минут (если не указано иное). В зоне входа и выхода не должно быть никаких твердых преград в пределах 0,5 м.
∆p = 0: соотв. для свободного воздушного потока I: соотв. к среднеквадратичному линейному току
Особенности Состояние Обозначение Значения Диапазон напряжения U 8 V
13,5 V Номинальное напряжение UN
12 V
Потребляемая мощность
Допуск
∆p = 0 P 1,9 W
+- 17,5 %5,0 W
+- 12,5 %5,9 W
+- 17,5 %Потребление тока
Допуск
∆p = 0 I 240 mA
+-17,5 %
420 mA
+- 12,5 %
440 mA
+- 17,5 %
Скорость
Допуск
∆p = 0 n 3.250 1/min
+- 15,0 %4 400 1/min
+- 10,0 %4.650 1/min
+- 15,0 %
Электрические характеристики
Электронная функция Нет
Аэродинамические характеристики
Условия измерений
Измерено с помощью двухкамерной всасывающей установки в соотв. согласно DIN EN ISO 5801. Нормальная плотность воздуха = 1,2 кг / м3; Температура 23 ° C +/- 3 ° C; В зоне входа и выхода не должно быть никаких твердых препятствий в пределах 0,5 м. Информация действительна только при указанных условиях испытаний и может быть изменена условия установки. Если есть отклонения от стандартных условий испытаний, характеристические значения должны быть проверены в установленных условиях.
Условия эксплуатации:
4 400 об / мин при свободном потоке воздуха
Максимум. свободный поток воздуха (∆p = 0 / V = макс.) 28,0 м3 / ч Максимум. статическое давление (∆p = макс. / V = 0) 165 Па -
RL_48_19_12_EN Размер: 333,4 кб
-
Вы можете задать любой интересующий вас вопрос по товару или работе магазина.
Наши квалифицированные специалисты обязательно вам помогут.

