RG 90-18/06 Вентилятор компактный ebmpapst
- Характеристики
- Описание
- Техническая документация
- Задать вопрос
-
Постоянный/переменный ток AC Номинальное напряжение, В 115 Скорость вращения, об/мин 2200 Входная мощность, кВт 0,022 Вес, кг 0,55 кг -
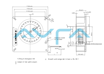
Схема подключения

- Синий
- Синий
Электрические рабочие данные
Условия измерений
Нормальная плотность воздуха = 1,2 кг / м3; Температура 23 ° C +/- 3 ° C; Ось мотора горизонтальная; Разогрев время до измерения 5 минут (если не указано иное). В зоне входа и выхода не должно быть никаких твердых преград в пределах 0,5 м.
∆p = 0: соотв. для свободного воздушного потока I: соотв. к среднеквадратичному линейному току
Особенности Состояние Обозначение Значения Частота ∆p = 0
f 50 Гц 60 Гц Номинальное напряжение ∆p = 0
UN 115 V
+- 10.0 %
115 V
+- 10.0 %
Потребляемая мощность
Допуск∆p = 0 P 22 W
+ 5 % - 10 %22 W
+ 5 % - 10 %Скорость
Допуск∆p = 0 n 2.200 1/min
+- 3.0 %1 900 1/min
+- 3.0 %
Электрические характеристики
Защита от блокировки ротора Импеданс
Аэродинамические характеристики
Условия измерений
Измерено с помощью двухкамерной всасывающей установки в соотв. согласно DIN EN ISO 5801. Нормальная плотность воздуха = 1,2 кг / м3; Температура 23 ° C +/- 3 ° C; В зоне входа и выхода не должно быть никаких твердых препятствий в пределах 0,5 м. Информация действительна только при указанных условиях испытаний и может быть изменена условия установки. Если есть отклонения от стандартных условий испытаний, характеристические значения должны быть проверены в установленных условиях.
a) Условия эксплуатации:
2 200 об / мин при свободном потоке воздуха 50 Гц
Максимум. свободный поток воздуха (∆p = 0 / V = макс.) 54,0 м3 / ч Максимум. статическое давление (∆p = макс. / V = 0) 90 Па
b) Условия эксплуатации:
1 900 об / мин при свободном потоке воздуха 60 Гц
Максимум. свободный поток воздуха (∆p = 0 / V = макс.) 46,0 м3 / ч Максимум. статическое давление (∆p = макс. / V = 0) 130 Па
- Синий
-
9544014002_RG90-18(06__PDB_EN Размер: 239,7 кб
-
Вы можете задать любой интересующий вас вопрос по товару или работе магазина.
Наши квалифицированные специалисты обязательно вам помогут.

