RER 133-41/14/2 TDP Вентилятор компактный ebmpapst
- Характеристики
- Описание
- Техническая документация
- Задать вопрос
-
Постоянный/переменный ток DC Номинальное напряжение, В 24 Скорость вращения, об/мин 6000 Входная мощность, кВт 0,094 Вес, кг 0,89 кг -
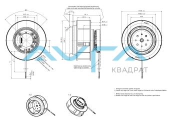
Схема подключения
- Красный
- Синий
- Фиолетовый
- Белый
Электрические рабочие данные
Условия измерений
Нормальная плотность воздуха = 1,2 кг / м3; Температура 23 ° C +/- 3 ° C; Ось мотора горизонтальная; Разогрев время до измерения 5 минут (если не указано иное). В зоне входа и выхода не должно быть никаких твердых преград в пределах 0,5 м.
∆p = 0: соотв. для свободного воздушного потока I: соотв. к среднеквадратичному линейному току
Особенности Состояние Обозначение Значения Диапазон напряжения U 16 V
36 V Номинальное напряжение UN
24 V
Потребляемая мощность
Допуск
∆p = 0 P 46 W
+- 10,0 %
94 W
+- 10,0 %94 W
+- 10,0 %
Потребление тока
Допуск
∆p = 0 I 2900 mA
+- 10,0 %
3900 mA
+- 10,0 %
2600 mA
+- 10,0 %
Скорость
Допуск
∆p = 0 n 4 730 1/min
+- 7,5 %6 000 1/min
+- 5,0 %6 000 1/min
+- 5,0 %
Электрические характеристики
Электронная функция Контроль скорости
Аэродинамические характеристики
Условия измерений
Измерено с помощью двухкамерной всасывающей установки в соотв. согласно DIN EN ISO 5801. Нормальная плотность воздуха = 1,2 кг / м3; Температура 23 ° C +/- 3 ° C; В зоне входа и выхода не должно быть никаких твердых препятствий в пределах 0,5 м. Информация действительна только при указанных условиях испытаний и может быть изменена условия установки. Если есть отклонения от стандартных условий испытаний, характеристические значения должны быть проверены в установленных условиях.
Условия эксплуатации:
6 000 об / мин при свободном потоке воздуха
Максимум. свободный поток воздуха (∆p = 0 / V = макс.) 560,0 м3 / ч Максимум. статическое давление (∆p = макс. / V = 0) 760 Па
-
9595420062_RER133-41(14(2TDP__PDB_EN Размер: 811,3 кб
-
Вы можете задать любой интересующий вас вопрос по товару или работе магазина.
Наши квалифицированные специалисты обязательно вам помогут.

