DV 5214 NU Вентилятор компактный ebmpapst
- Характеристики
- Описание
- Техническая документация
- Задать вопрос
-
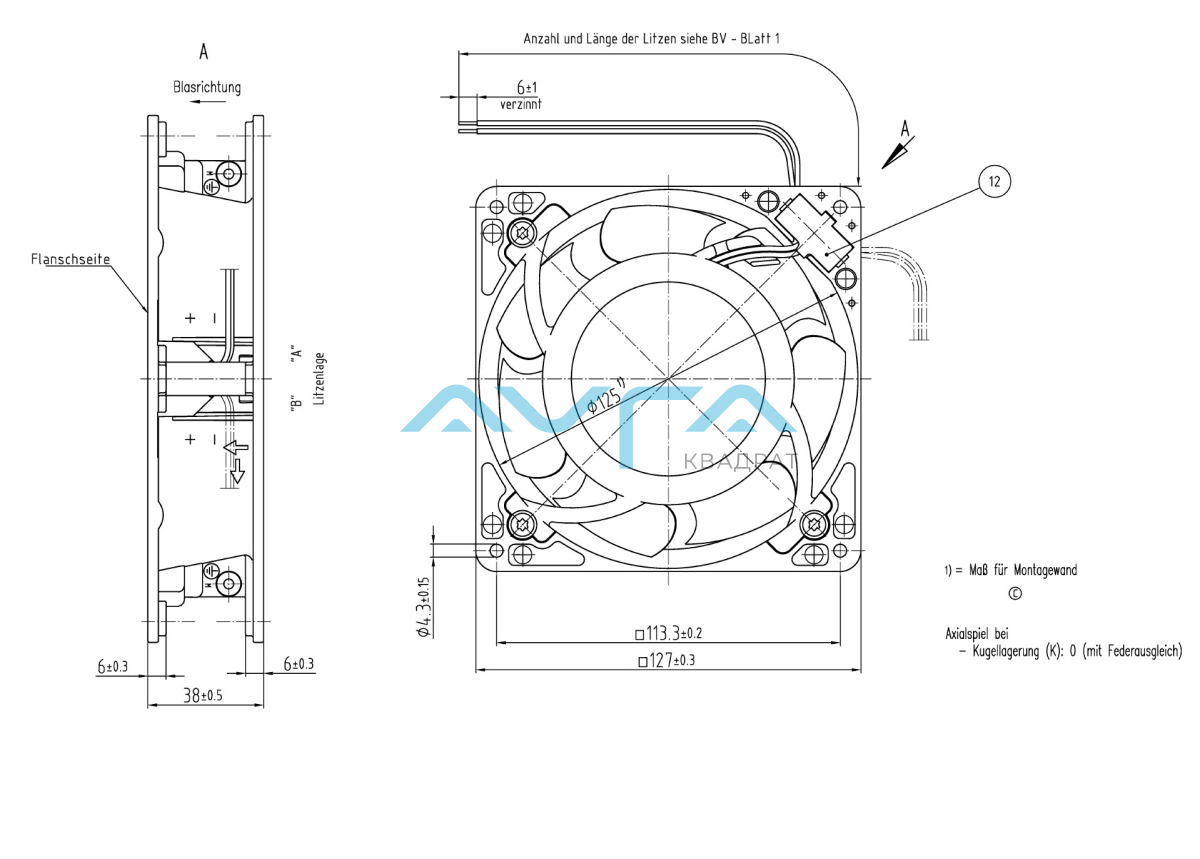
Постоянный/переменный ток DC Номинальное напряжение, В 24 Скорость вращения, об/мин 4930 Входная мощность, кВт 0,019 Вес, кг 0,56 кг -
Схема подключения

- Красный
- Синий
Электрические рабочие данные
Условия измерений
Нормальная плотность воздуха = 1,2 кг / м3; Температура 23 ° C +/- 3 ° C; Ось мотора горизонтальная; Разогрев время до измерения 5 минут (если не указано иное). В зоне входа и выхода не должно быть никаких твердых преград в пределах 0,5 м.
∆p = 0: соотв. для свободного воздушного потока I: соотв. к среднеквадратичному линейному току
Особенности Состояние Обозначение Значения Диапазон напряжения U 18 V
26,4 V Номинальное напряжение UN
24 V
Потребляемая мощность
Допуск
∆p = 0 P 12,4 W
+- 15,0 %
19.8 W
+- 15,0 %
25 W
+- 15,0 %
Потребление тока
Допуск
∆p = 0 I 690 mA
+- 15,0 %
825 mA
+- 15,0 %
890 mA
+- 10,0 %
Скорость
Допуск
∆p = 0 n 3 900 1/min
+- 10,0 %4 930 1/min
+- 10,0 %5 050 1/min
+- 10,0 %
Электрические характеристики
Электронная функция Нет
Аэродинамические характеристики
Условия измерений
Измерено с помощью двухкамерной всасывающей установки в соотв. согласно DIN EN ISO 5801. Нормальная плотность воздуха = 1,2 кг / м3; Температура 23 ° C +/- 3 ° C; В зоне входа и выхода не должно быть никаких твердых препятствий в пределах 0,5 м. Информация действительна только при указанных условиях испытаний и может быть изменена условия установки. Если есть отклонения от стандартных условий испытаний, характеристические значения должны быть проверены в установленных условиях.
Условия эксплуатации:
5 000 об / мин при свободном потоке воздуха
Максимум. свободный поток воздуха (∆p = 0 / V = макс.) 265,0 м3 / ч Максимум. статическое давление (∆p = макс. / V = 0) 258 Па
-
9294310801_DV5214 NU__PDB_EN Размер: 366,6 кб
-
Вы можете задать любой интересующий вас вопрос по товару или работе магазина.
Наши квалифицированные специалисты обязательно вам помогут.

