8880 N Вентилятор компактный ebmpapst
- Характеристики
- Описание
- Техническая документация
- Задать вопрос
-
Постоянный/переменный ток AC Минимальная температура окружающей среды, °C -10 [°C] Максимальная температура окружающей среды, °C +80 [°C] Номинальное напряжение, В 230 Скорость вращения, об/мин 1750 Входная мощность, кВт 0,009 Диаметр крыльчатки, мм 80 Вес, кг kg 0,38 KLM -
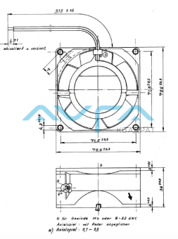
Чертеж изделия

Электрические рабочие данные
Условия измерений
Нормальная плотность воздуха = 1,2 кг / м3; Температура 23 ° C +/- 3 ° C; Ось мотора горизонтальная; Разогрев время до измерения 5 минут (если не указано иное).
∆p = 0: соотв. для свободного воздушного потока
В зоне входа и выхода не должно быть никаких твердых преград в пределах 0,5 м.
I: соотв. к среднеквадратичному линейному токуОсобенности Состояние Обозначение Значения Частота ∆p = 0 f 50 Hz 60 Hz Номинальное напряжение ∆p = 0 UN 230 V
+- 6% / +- 10%230 V
+- 6% / +- 10%Потребляемая мощность
Допуск
∆p = 0 P 9W
+- 5% / +- 10%8W
+- 5% / +- 10%Скорость
Допуск
∆p = 0 n 1.750 1/min
+- 5%
1.950 1/min
+- 5%
Электрические характеристики
Защита заблокированного ротора Cопротивление

Аэродинамические характеристики

Условия измерений
Измерено с помощью двухкамерной всасывающей установки в соотв. согласно DIN EN ISO 5801.
Нормальная плотность воздуха = 1,2 кг / м3; Температура 23 ° C +/- 3 ° C;
В зоне входа и выхода не должно быть никаких твердых препятствий в пределах 0,5 м. Вал двигателя горизонтально.
Информация действительна только при указанных условиях испытаний и может быть изменена условия установки. Если есть отклонения от стандартных условий испытаний, характеристические значения должны быть проверены в установленных условиях.а) Условия эксплуатации:
1.750 об 1 / мин при свободном потоке воздуха; Частота: 50 Гц;
Максимум. свободный поток воздуха (∆p = 0 / V = макс.) 27,0 m3/h Максимум. статическое давление (∆p = макс. / V = 0) 20 Па
б) Условия эксплуатации:
1.950 об 1 / мин при свободном потоке воздуха; Частота: 60 Гц;
Максимум. свободный поток воздуха (∆p = 0 / V = макс.) 31,0 m3/h Максимум. статическое давление (∆p = макс. / V = 0) 24 Па -
8880_N_EN Размер: 551 кб
-
Вы можете задать любой интересующий вас вопрос по товару или работе магазина.
Наши квалифицированные специалисты обязательно вам помогут.

