8314 H Вентилятор компактный ebmpapst
Артикул:
9294305094
5 082 руб./шт
Доступно
-
+
- Характеристики
- Описание
- Техническая документация
- Задать вопрос
-
Постоянный/переменный ток AC Минимальная температура окружающей среды, °C -20 Максимальная температура окружающей среды, °C +75 Количество фаз 1 Уровень шума, dB 6,2 Номинальное напряжение, В 24 Скорость вращения, об/мин 5000 Входная мощность, кВт 0,006 Потребляемый ток, A 0,25 Вес, кг 0,17 -
Высокопроизводительный осевой вентилятор серии 8300 в типоразмере 80×80×32 мм. Оборудован бесщёточным DC-двигателем и шариковыми подшипниками, обеспечивает устойчивый воздушный поток при умеренном уровне шума. Применяется для охлаждения электроники, телеком- и серверного оборудования, шкафов автоматики и источников питания.
Технические характеристики устройства
- Тип: осевой компактный вентилятор (DC)
- Производитель: ebm-papst
- Диаметр рабочего колеса / типоразмер: 80×80×32 мм
- Напряжение питания: 24 В DC, допустимый диапазон 12…28 В
- Мощность двигателя (входная): ≈ 6,0 Вт
- Частота вращения: ≈ 5000 об/мин (на свободном выдуве)
- Максимальный воздушный поток: ≈ 80 м³/ч (≈ 47 CFM)
- Уровень шума: ≈ 48 дБА
- Подшипники: шариковые
- Материал лопастей / корпуса: стеклонаполненный PA / PBT
- Степень защиты: IP20 (типовое исполнение)
- Температурный диапазон работы: −20…+75 °C
- Ток: постоянный (DC)
- Потребляемый ток: ≈ 0,25 А при 24 В
Области применения
- Охлаждение печатных плат, силовых модулей, источников питания
- Серверные и телеком-стойки, сетевое оборудование
- Шкафы управления и промышленная автоматика
Преимущества
- Высокий расход воздуха при компактных габаритах 80×80×32 мм
- Шариковые подшипники для увеличенного ресурса и стабильности работы
- Широкий диапазон питания 12…28 В DC и невысокое энергопотребление
- Прочный корпус и крыльчатка из стеклонаполнённых материалов
Аксессуары
- Защитные решётки и фильтрующие панели 80 мм
- Монтажные рамки и крепёж
- Виброизоляторы (втулки/опоры), кабельные жгуты
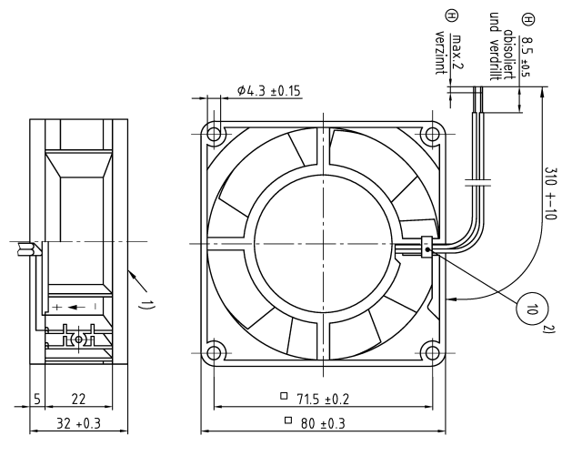
Чертеж вентилятора 8314 H:

Схема подключения вентилятора 8314 H:

Характеристики производительности вентилятора 8314 H:

Цены на сайте компании могут отличаться от действующего прайс-листа. Чтобы купить оборудовние, уточнить актуальные цены или наличие артикула товара на складе свяжитесь с нашими менеджерами по контактным телефонам указанным на сайте. Для сравнения и выбора нужной модели используйте фильтры, чтобы осортировать товары по брендам и другим характеристикам. Работаем по Москве и по другим регионам России. Уточняйте информацию по условиям оплаты и срок доставки для каждого региона. Заказы принимаются от 1 штуки.
-
8314_H_EN Размер: 554,8 кб
-
Вы можете задать любой интересующий вас вопрос по товару или работе магазина.
Наши квалифицированные специалисты обязательно вам помогут.