8214 J/2 H4 Вентилятор компактный ebmpapst
Артикул:
9692910182
Под заказ
Наши менеджеры обязательно свяжутся с вами и уточнят условия заказа
- Описание
- Техническая документация
- Задать вопрос
-
Компактный вентилятор, отвечающий за холодный/теплый воздухообмен в больших объёмах. Ebmpapst 8214 J/2 H4 монтируется в системах электронно-вычислительной техники, бытового и промышленного оборудования.
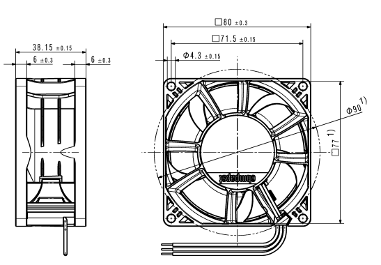
Чертеж вентилятора Ebmpapst 8214 J/2 H4:

Характеристики производительности вентилятора Ebmpapst 8214 J/2 H4:

-
ebmpapst-8214-J2-H4 Размер: 526,9 кб
-
Вы можете задать любой интересующий вас вопрос по товару или работе магазина.
Наши квалифицированные специалисты обязательно вам помогут.