7214 N/17 Вентилятор компактный ebmpapst
Артикул:
9295414421
Под заказ
Наши менеджеры обязательно свяжутся с вами и уточнят условия заказа
- Описание
- Техническая документация
- Задать вопрос
-
Компактный и одновременно очень мощный осевой вентилятор 7214 N Ebmpapst спокойно переносит высокие температуры, обладает повышенной износоустойчивостью в неблагоприятных условиях эксплуатации при сильной запылённости и высокой влажности.
Осевой (аксиальный) вентилятор 7214 N имеет низкую потребляемую мощность. В плоском цилиндрическом корпусе модели находится колесо из консольных лопастей, закрепленных на втулке под углом к плоскости вращения. Поток воздуха направляется параллельно общей оси.
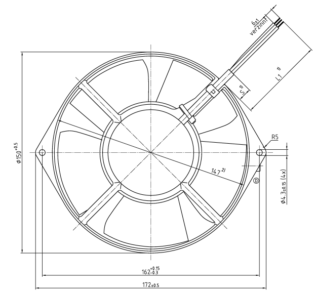
Чертеж вентилятора Ebmpapst 7214 N/17:
Характеристики производительности вентилятора Ebmpapst 7214 N/17:

-
ebmpapst-7214-N17 Размер: 600,9 кб
-
Вы можете задать любой интересующий вас вопрос по товару или работе магазина.
Наши квалифицированные специалисты обязательно вам помогут.