614 NH Вентилятор компактный осевой ebmpapst
Артикул:
9272206072
Под заказ
Наши менеджеры обязательно свяжутся с вами и уточнят условия заказа
- Характеристики
- Описание
- Техническая документация
- Задать вопрос
-
Постоянный/переменный ток DC Минимальная температура окружающей среды, °C -20 Максимальная температура окружающей среды, °C +70 Номинальное напряжение, В 24 Скорость вращения, об/мин 5600 Входная мощность, кВт 0,0025 Потребляемый ток, A 0,088 Вес, кг 0.19 кг -
Вентилятор компактный осевой 614 NH ebmpapst постоянного тока — надежное и эффективное решение для локального охлаждения и вентиляции оборудования. Компактные размеры, низкий уровень шума и высокая долговечность делают его идеальным для применения в ограниченных пространствах. Обеспечивает стабильный воздушный поток благодаря качественным материалам и современному двигателю.
Технические характеристики устройства ebmpapst 614 NH
- Тип: компактный осевой вентилятор
- Производитель: ebmpapst
- Серия: 614
- Напряжение питания: 115 В / 230 В
- Мощность двигателя: 10–20 Вт
- Частота вращения: 2 800–3 200 об/мин
- Максимальный воздушный поток: до 100 м³/ч
- Уровень шума: 26–30 дБ
- Подшипники: шариковые подшипники длительного ресурса
- Материал лопастей: высокопрочный пластик
- Степень защиты: IP 20
- Температурный диапазон работы: от –10 °C до +60 °C
- Ток AC/DC/EC: DC
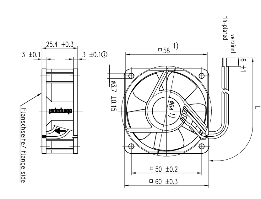
- Габаритные размеры: 60x60x25 мм
- Давление: 80 Pa
Области применения
- Охлаждение электрического и технологического оборудования
- Компактные системы вентиляции
- Корпусная вентиляция промышленных и офисных устройств
- Системы кондиционирования и приточной вентиляции небольших помещений
Аксессуары
- Защитные решетки для предотвращения попадания посторонних предметов
- Демпферы вибрации и шума для снижения нагрузок
- Фланцы и адаптеры для интеграции в корпуса оборудования
Чертеж вентилятора 614NH:
Схема подключения вентилятора 614 NH:
- Красный
- Синий
Рабочие характеристики производительности вентилятора 614 NH:Условия измерений
Нормальная плотность воздуха = 1,2 кг / м3; Температура 23 ° C +/- 3 ° C; Ось мотора горизонтальная; Разогрев время до измерения 5 минут (если не указано иное). В зоне входа и выхода не должно быть никаких твердых преград в пределах 0,5 м.
∆p = 0: соотв. для свободного воздушного потока I: соотв. к среднеквадратичному линейному току
Особенности Состояние Обозначение Значения Диапазон напряжения U 18V 26 V Номинальное напряжение UN 24 V
Потребляемая мощность
Допуск
∆p = 0 P 1,1 W
+- 17,5 %2,1 W
+- 12,5 %2,4 W
+- 17,5 %Потребление тока
Допуск
∆p = 0 I 60 mA
+- 17,5 %
88 mA
+- 12,5 %
91 mA
+- 17,5 %
Скорость
Допуск
∆p = 0 n 4.300 1/min
+- 15,0 %5 600 1/min
+- 10,0 %5.750 1/min
+- 15,0 %
Цены на сайте компании могут отличаться от действующего прайс-листа. Чтобы купить оборудовние, уточнить актуальные цены или наличие артикула товара на складе свяжитесь с нашими менеджерами по контактным телефонам указанным на сайте. Для сравнения и выбора нужной модели используйте фильтры, чтобы осортировать товары по брендам и другим характеристикам. Работаем по Москве и по другим регионам России. Уточняйте информацию по условиям оплаты и срок доставки для каждого региона. Заказы принимаются от 1 штуки.
-
614_NH_en Размер: 509,2 кб
-
Вы можете задать любой интересующий вас вопрос по товару или работе магазина.
Наши квалифицированные специалисты обязательно вам помогут.