612 NH Вентилятор компактный ebmpapst
Артикул:
9272206026
2 244 руб./шт
Под заказ
-
+
- Характеристики
- Описание
- Техническая документация
- Задать вопрос
-
Постоянный/переменный ток AC Минимальная температура окружающей среды, °C -20 Максимальная температура окружающей среды, °C +40 Количество фаз 1 Уровень шума, dB 5,2 Номинальное напряжение, В 12 Скорость вращения, об/мин 5600 Входная мощность, кВт 0,002 Потребляемый ток, A 0,166 Вес, кг 0,066 -
Компактный осевой вентилятор ebm-papst 612 NH форм-фактора 60×60×25 мм с бесщёточным DC-двигателем и шариковыми подшипниками. Предназначен для охлаждения электроники, блоков питания, телеком-оборудования и шкафов автоматики. Обеспечивает высокий расход воздуха при умеренном уровне шума и длительном ресурсе.
Технические характеристики устройства 612 NH
- Тип: осевой компактный вентилятор (DC)
- Производитель: ebm-papst
- Диаметр рабочего колеса / типоразмер: 60×60×25 мм
- Напряжение питания: 12 В DC (рабочий диапазон 8…15 В)
- Мощность двигателя: 1,8–2,0 Вт
- Частота вращения: ≈ 5600 об/мин (на свободном выдуве)
- Максимальный воздушный поток: до 46 м³/ч (≈ 27,1 CFM)
- Уровень шума: ≈ 37 дБА
- Подшипники: шариковые
- Материал лопастей/корпуса: стеклонаполненный пластик (PA GF/PBT)
- Степень защиты: IP20 (типовое исполнение)
- Температурный диапазон работы: −20…+70 °C
- Ток: постоянный (DC)
- Потребляемый ток: ≈ 0,15–0,17 А при 12 В
Области применения
- Охлаждение печатных плат, силовых модулей, ИБП и источников питания
- Серверные и телеком-стойки, сетевые устройства
- Шкафы управления, промышленная автоматика и контрольно-измерительная аппаратура
Преимущества
- Высокий расход воздуха при компактных габаритах 60×60×25 мм
- Низкий уровень шума (~37 дБА)
- Шариковые подшипники — увеличенный ресурс и стабильность работы
- Широкий допустимый диапазон питания 8…15 В DC
Аксессуары
- Защитные решётки 60 мм и фильтрующие панели
- Монтажные комплекты, винты/рамки
- Виброопоры/втулки, кабельные жгуты
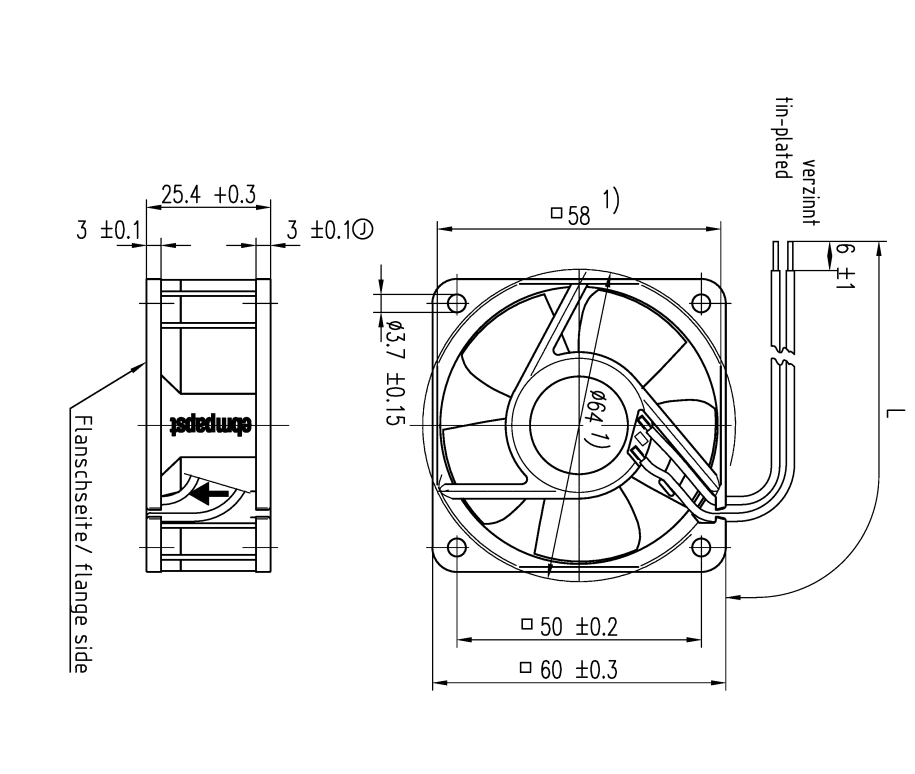
Чертеж вентилятора 612 NH:

Схема подключения вентилятора 612 NH:

Характеристики производительности вентилятора 612 NH:

Цены на сайте компании могут отличаться от действующего прайс-листа. Чтобы купить оборудовние, уточнить актуальные цены или наличие артикула товара на складе свяжитесь с нашими менеджерами по контактным телефонам указанным на сайте. Для сравнения и выбора нужной модели используйте фильтры, чтобы осортировать товары по брендам и другим характеристикам. Работаем по Москве и по другим регионам России. Уточняйте информацию по условиям оплаты и срок доставки для каждого региона. Заказы принимаются от 1 штуки. -
612_NH_EN Размер: 555,9 кб
-
Вы можете задать любой интересующий вас вопрос по товару или работе магазина.
Наши квалифицированные специалисты обязательно вам помогут.