R3G355-RS02-H5 Центробежный вентилятор ebmpapst
Артикул:
R3G355RS02H5
Под заказ
Наши менеджеры обязательно свяжутся с вами и уточнят условия заказа
- Характеристики
- Описание
- Задать вопрос
-
Постоянный/переменный ток AC Минимальная температура окружающей среды, °C -40 Максимальная температура окружающей среды, °C +80 Номинальное напряжение, В 230 Скорость вращения, об/мин 1850 Входная мощность, кВт 0,5 Потребляемый ток, A 2.2 A Степень защиты IP 54 Диаметр крыльчатки, мм 355 Вес, кг 5.6 кг -
Осевые вентиляторы ebm-papst, обеспечивающие реальную экономию монтажного пространства, предназначены для перемещения горячего и холодного воздуха в различных устройствах и системах. К отличительным особенностям этих вентиляторов относятся малая глубина установки, низкий уровень шума и высокий КПД, что определяет их пригодность к перемещению воздуха в теплообменниках. В сочетании с ЕС-двигателями они также обеспечивают энергосбережение на всем диапазоне области применения.
Представленную продукцию отличает разнообразие конструкций, типоразмеров и уровней производительности. Благодаря оптимизированным аэродинамическим характеристикам лопаток вентиляторы характеризуются оптимальным КПД и минимальный уровень шума.
Область применения осевых вентиляторов - системы вентиляции, охлаждения и кондиционирования воздуха, автотранспорт, ветроэлектростанции промышленное оборудование.
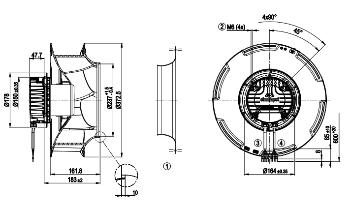
Чертеж центробежного вентилятора Ebmpapst R3G355RS02H5:

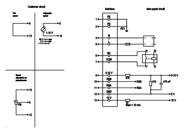
Схема подключения центробежного вентилятора Ebmpapst R3G355RS02H5:

Характеристики производительности центробежного вентилятора Ebmpapst R3G355RS02H5:


-
Вы можете задать любой интересующий вас вопрос по товару или работе магазина.
Наши квалифицированные специалисты обязательно вам помогут.