R3G280-RR21-P3 Центробежный вентилятор
Артикул:
R3G280RR21P3
Под заказ
Наши менеджеры обязательно свяжутся с вами и уточнят условия заказа
- Характеристики
- Описание
- Техническая документация
- Задать вопрос
-
Номинальное напряжение, В 80 Скорость вращения, об/мин 2400 Входная мощность, кВт 0,38 Потребляемый ток, A 4,8 Степень защиты IP 55 Количество лопаток 6 Диаметр крыльчатки, мм 280 Вес, кг 4,19 -
Центробежные вентиляторы ebm-papst поставляются с лопатками, загнутыми как вперед, так и назад. Бесшумные центробежные вентиляторы с загнутыми вперед лопатками поставляются в виде комбинации крыльчатки и двигателя и в спиральном корпусе. Центробежные вентиляторы с загнутыми назад лопатками оснащены свободно вращающейся крыльчаткой и не нуждаются в спиральном корпусе. В центробежных вентиляторах, оснащенных двигателем с внешним ротором, двигатель установлен в крыльчатке, что обеспечивает не только его оптимальное охлаждение, но и компактность всей конструкции. Вентиляторы всей линейки могут оснащаться как АС-двигателями, так и ЕС-двигателями.
Среди преимуществ центробежных вентиляторов ebm-papst можно назвать полное управление скоростью вращения с помощью аналоговых сигналов или интерфейсов управления, высокий КПД благодаря применению ЕС-технологии, бесшумную работу.
Центробежные вентиляторы применяются в таких сферах , как отопление, вентиляция и кондиционирование воздуха, а также в системах охлаждения и транспортировки газа или воздуха.
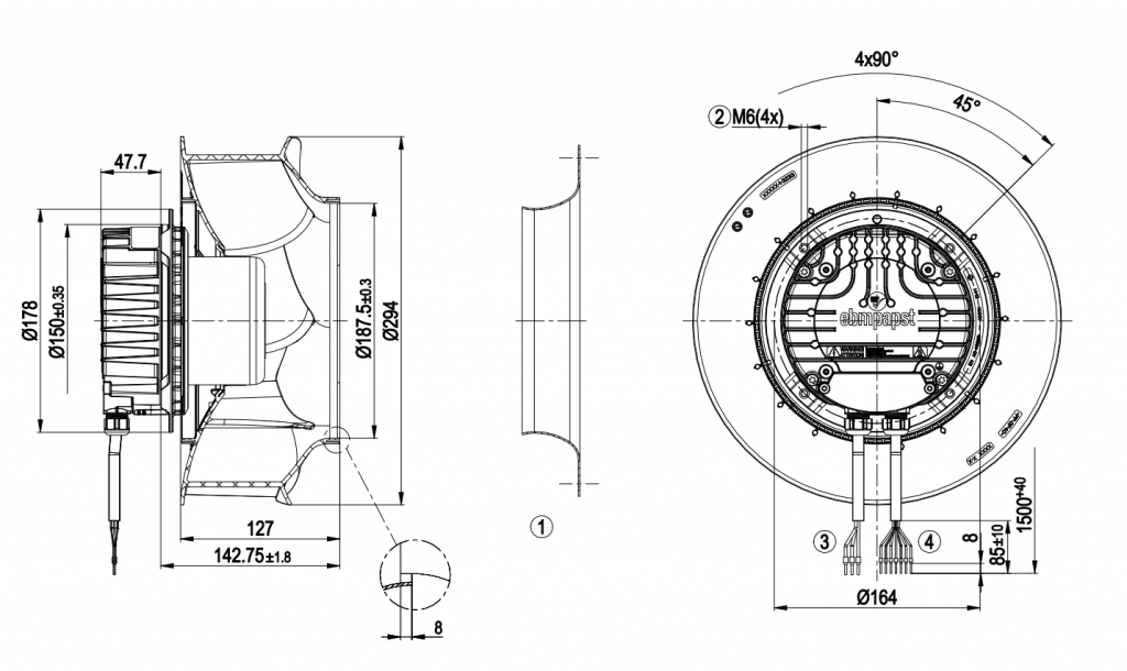
Чертёж изделия:

1 Дополнительная деталь: входное кольцо 28000-2-4013 не входит в комплект поставки 2 Максимальный зазор для винта 16 мм
3 Кабель, не содержащий галогенов, для железнодорожного транспорта EN 45545, 4G 1,5 мм2 3 наконечника для проводов, 1 провод не проложен снаружи 4 Кабеля, не содержащие галогенов, для железнодорожного транспорта EN 45545, 7x 0,5 мм2 7 наконечников для проводов
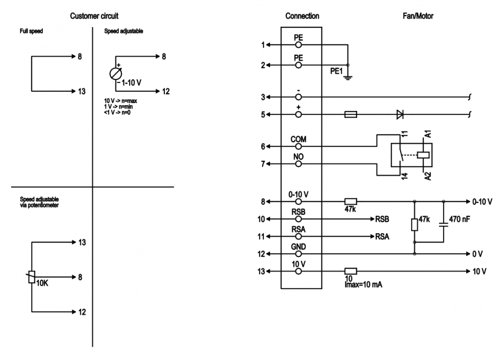
Схема подключения:

Характеристики: производительность по воздуху 50 Hz

-
Технические характеристики осевого вентилятора ebmpapst R3G280RR21P3 Размер: 698,9 кб
-
Вы можете задать любой интересующий вас вопрос по товару или работе магазина.
Наши квалифицированные специалисты обязательно вам помогут.