K3G500-PB33-31 Центробежный ЕС-вентилятор RadiPac, коррозионностойкий
Артикул:
K3G500PB3331
436 303 руб./шт
Под заказ
-
+
- Характеристики
- Описание
- Техническая документация
- Задать вопрос
-
Постоянный/переменный ток EC Минимальная температура окружающей среды, °C -25 Максимальная температура окружающей среды, °C +40 Номинальное напряжение, В 400 Скорость вращения, об/мин 2550 Входная мощность, кВт 5,7 Потребляемый ток, A 9 A Степень защиты IP 55 Диаметр крыльчатки, мм 500 Вес, кг 49,8 кг -
Центробежный ЕС-вентилятор K3G500-PB33-31 ebmpapst — модуль RadiPac с назад загнутыми лопатками, односторонним всасыванием и коррозионностойким исполнением. Этот высокоэффективный вентилятор предназначен для работы в сложных условиях, где требуется стойкость к агрессивным средам. Он обеспечивает стабильный воздушный поток, минимальный уровень шума и долгий срок службы, благодаря использованию современных технологий и высококачественных материалов. Идеален для применения в промышленности и в системах, где требуется высокая надежность.
Технические характеристики устройства ebmpapst K3G500-PB33-31
- Тип: центробежный
- Серия: K3G (RadiPac)
- Производитель: ebmpapst
- Диаметр рабочего колеса: 500 мм
- Напряжение питания: 230 В / 50 Гц
- Мощность двигателя: 850 Вт
- Частота вращения: 3300 об/мин
- Максимальный воздушный поток: до 5 000 м³/ч
- Максимальное статическое давление: около 1 500 Па
- Уровень шума: 78–82 дБ
- Подшипники: шарикоподшипники длительного ресурса
- Материал лопастей: коррозионностойкий высокопрочный пластик
- Степень защиты: IP44
- Температурный диапазон работы: от –20 °C до +60 °C
Области применения
- Вентиляция и кондиционирование воздуха в агрессивных и влажных средах
- Охлаждение технологического оборудования и электроники
- Промышленные вытяжные системы и воздуховоды
- Серверные помещения и центры обработки данных
- Производственные и складские помещения с высокими требованиями к надежности вентиляции
Аксессуары
- Защитные решетки для предотвращения попадания посторонних предметов
- Фланцы и адаптеры для интеграции в воздуховоды
- Демпферы вибрации и шума для снижения вибрационных нагрузок
- Частотные преобразователи для регулировки скорости и повышения энергоэффективности
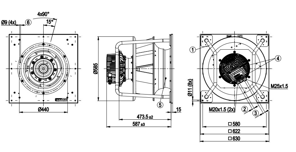
Чертёж изделия:

Схема подключения:

Характеристики производительности:

Цены на сайте компании могут отличаться от действующего прайс-листа. Чтобы купить оборудовние, уточнить актуальные цены или наличие артикула товара на складе свяжитесь с нашими менеджерами по контактным телефонам указанным на сайте. Для сравнения и выбора нужной модели используйте фильтры, чтобы осортировать товары по брендам и другим характеристикам. Работаем по Москве и по другим регионам России. Уточняйте информацию по условиям оплаты и срок доставки для каждого региона. Заказы принимаются от 1 штуки. -
Data_sheet_K3G500PB3331 Размер: 968,8 кб
-
Вы можете задать любой интересующий вас вопрос по товару или работе магазина.
Наши квалифицированные специалисты обязательно вам помогут.