K3G450-PB24-01/F01 Центробежный ЕС-вентилятор RadiPac
Артикул:
K3G450PB2401/F01
K3G450-PB24-01/F01 Центробежный ЕС-вентилятор RadiPac, назад загнутые лопатки, одностороннее всасывание, опорный кронштейн
Подробнее
Под заказ
Наши менеджеры обязательно свяжутся с вами и уточнят условия заказа
- Характеристики
- Описание
- Техническая документация
- Задать вопрос
-
Минимальная температура окружающей среды, °C -25 Максимальная температура окружающей среды, °C +50 Количество фаз 3 Скорость вращения, об/мин 2600 Степень защиты IP 55 Диаметр крыльчатки, мм 450 Вес, кг 49 -
K3G450-PB24-01/F01 Центробежный ЕС-вентилятор RadiPac с назад загнутыми лопатками, односторонним всасыванием и опорным кронштейном
Чертеж центробежного ЕС-вентилятора RadiPac K3G450-PB24-01/F01:

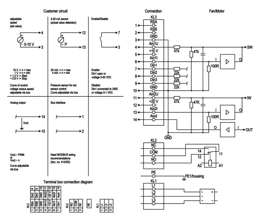
Схема подключения центробежного ЕС-вентилятора RadiPac K3G450-PB24-01/F01:

Характеристики производительности центробежного ЕС-вентилятора RadiPac K3G450-PB24-01/F01:

-
K3G450-PB24-01_F01-SPEC Размер: 2,2 мб
-
Вы можете задать любой интересующий вас вопрос по товару или работе магазина.
Наши квалифицированные специалисты обязательно вам помогут.