R3G630-RB32-03 Центробежный ЕС-вентилятор ebmpapst RadiCal (для дата-центров)
Артикул:
R3G630RB3203
104 519 руб./шт
Под заказ
-
+
- Характеристики
- Описание
- Техническая документация
- Задать вопрос
-
Постоянный/переменный ток EC Минимальная температура окружающей среды, °C -40 Максимальная температура окружающей среды, °C +40 Номинальное напряжение, В 400 Скорость вращения, об/мин 1400 Входная мощность, кВт 3,6 Потребляемый ток, A 5.5 Степень защиты IP 54 Диаметр крыльчатки, мм 630 Вес, кг 29.8 кг -
R3G630-RB32-03 RadiCal ebmpapst — это высокопроизводительный центробежный вентилятор с электронно-коммутируемым (ЕС) двигателем, предназначенный для использования в современных системах вентиляции, кондиционирования и охлаждения. Оснащён рабочим колесом диаметром 630 мм с назад загнутыми лопатками, что обеспечивает высокую эффективность, стабильную работу и низкий уровень шума.
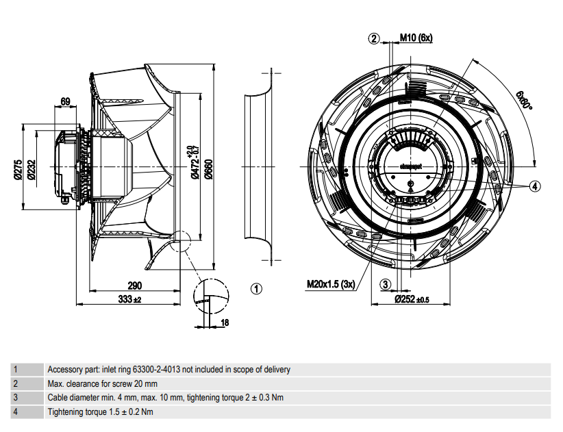
Чертеж центробежного EC-вентилятора RadiCal R3G630-RB32-03 ebmpapst:
Схема подключения центробежного EC-вентилятора RadiCal R3G630-RB32-03:

Данные характеристик производительности центробежного EC-вентилятора RadiCal R3G630-RB32-03 ebmpapst:
Технические и конструктивные особенности оборудования
- Производитель: ebm-papst
- Тип вентилятора: центробежный, одностороннего всасывания
- Диаметр рабочего колеса: 630 мм
- Форма лопаток: назад загнутые — высокая аэродинамическая эффективность и устойчивость к загрязнениям
- Тип двигателя: интегрированный EC-мотор (энергосберегающий и бесщёточный)
- Управление: аналоговый сигнал 0–10 В, ШИМ (PWM), возможно подключение к системам автоматизации (например, BMS)
- Степень защиты: IP54 или выше
- Подшипники: долговечные, шариковые, необслуживаемые
- Материалы: износостойкие, с антикоррозионной защитой
Преимущества
- Энергоэффективность — соответствует требованиям директивы ErP (Energy-related Products)
- Плавное и точное регулирование скорости вращения
- Снижение энергопотребления до 50% по сравнению с AC-вентиляторами
- Низкий уровень шума и вибраций
- Компактный монтаж и простое подключение
- Длительный срок службы при непрерывной эксплуатации
Области применения
- Приточно-вытяжные вентиляционные установки
- Центральные кондиционеры, руфтопы
- Воздухообрабатывающие и холодильные агрегаты
- Системы охлаждения промышленных и телекоммуникационных шкафов
- Коммерческие и промышленные здания, логистические комплексы, торговые центры
- Применение в энергосберегающих и интеллектуальных вентиляционных системах
Цены на сайте компании могут отличаться от действующего прайс-листа. Чтобы купить вентилятор, уточнить актуальные цены или наличие артикула товара на складе свяжитесь с нашими менеджерами по контактным телефонам указанным на сайте. Работаем по Москве и по другим регионам России. Уточняйте информацию по оплате и доставке для каждого региона. Заказы принимаются от 1 штуки.
-
R3G630RB3203 Размер: 1,3 мб
-
Вы можете задать любой интересующий вас вопрос по товару или работе магазина.
Наши квалифицированные специалисты обязательно вам помогут.