R3G250-8317076409 Центробежный ЕС-вентилятор RadiCal ebmpapst
- Характеристики
- Описание
- Техническая документация
- Задать вопрос
-
Постоянный/переменный ток EC Минимальная температура окружающей среды, °C -25 Максимальная температура окружающей среды, °C +40 Номинальное напряжение, В 220 Скорость вращения, об/мин 2534 Входная мощность, кВт 0,17 Потребляемый ток, A 1,7 Степень защиты IP 44 Диаметр крыльчатки, мм 250 Вес, кг 0,9 кг -
Центробежный ЕС-вентилятор R3G250-8317076409 ebmpapst — модуль RadiCal с назад загнутыми лопатками и односторонним всасыванием. Обеспечивает высокую производительность, низкий уровень шума и долговечность благодаря современному двигателю и качественным материалам. Отлично подходит для систем вентиляции и охлаждения, где требуется стабильный поток воздуха и надежная работа в течение длительного времени.
Технические характеристики устройства ebmpapst R3G250-8317076409
- Тип: центробежный EC
- Серия: R3G (RadiCal)
- Производитель: ebmpapst
- Диаметр рабочего колеса: 250 мм
- Напряжение питания: 230 В / 50 Гц
- Мощность двигателя: 280 Вт
- Частота вращения: 3 300 об/мин
- Максимальный воздушный поток: до 1 800 м³/ч
- Максимальное статическое давление: около 800 Па
- Уровень шума: 66–70 дБ
- Подшипники: шарикоподшипники длительного ресурса
- Материал лопастей: высокопрочный пластик
- Степень защиты: IP44
- Температурный диапазон работы: от –20 °C до +60 °C
- Ток AC/DC/EC: EC
Области применения
- Системы вентиляции и кондиционирования воздуха
- Охлаждение электрического и технологического оборудования
- Промышленные вытяжки и воздуховоды
- Серверные помещения и центры обработки данных
- Производственные и складские помещения с высокими требованиями к надежности вентиляции
Аксессуары
- Защитные решетки для безопасности и предотвращения попадания посторонних предметов
- Фланцы и адаптеры для интеграции в воздуховоды
- Демпферы вибрации и шума для снижения вибрационных нагрузок
- Частотные преобразователи для регулировки скорости и оптимизации энергоэффективности
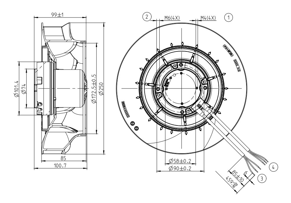
Чертеж центробежного ЕС-вентилятора R3G250-8317076409:

Схема подключения центробежного ЕС-вентилятора R3G250-8317076409:
Характеристики производительности центробежного ЕС-вентилятора R3G250-8317076409:
Цены на сайте компании могут отличаться от действующего прайс-листа. Чтобы купить оборудовние, уточнить актуальные цены или наличие артикула товара на складе свяжитесь с нашими менеджерами по контактным телефонам указанным на сайте. Для сравнения и выбора нужной модели используйте фильтры, чтобы осортировать товары по брендам и другим характеристикам. Работаем по Москве и по другим регионам России. Уточняйте информацию по условиям оплаты и срок доставки для каждого региона. Заказы принимаются от 1 штуки.
-
R3G250-8317076409 Размер: 2,7 мб
-
Вы можете задать любой интересующий вас вопрос по товару или работе магазина.
Наши квалифицированные специалисты обязательно вам помогут.