W1G200-EC87-20 Осевой вентилятор 200 мм ebmpapst (8/0,008 кВт) 900 об/мин
Артикул:
W1G200EC8720
Доступно
Наши менеджеры обязательно свяжутся с вами и уточнят условия заказа
- Характеристики
- Описание
- Техническая документация
- Задать вопрос
-
Постоянный/переменный ток EC Минимальная температура окружающей среды, °C -30 [°C] Максимальная температура окружающей среды, °C 50 [°C] Количество фаз 1 Номинальное напряжение, В 230 Скорость вращения, об/мин 900 Входная мощность, кВт 0,008 Потребляемый ток, A [A] Степень защиты IP 54 Количество лопаток 5 KLM Диаметр крыльчатки, мм 200 Вес, кг kg 1 KLM -
Осевой вентилятор W1G200-EC87-20 ebmpapst — это энергоэффективный вентилятор с EC-двигателем, предназначенный для работы в системах вентиляции и охлаждения. Модель выполнена в типоразмере 200 мм, рассчитана на питание от сети 230 В и подходит для длительной эксплуатации в составе промышленного и климатического оборудования.
Технические характеристики устройства W1G200-EC87-20
- Тип: осевой EC-вентилятор
- Производитель: ebmpapst
- Серия: W1G200
- Диаметр рабочего колеса: 200 мм
- Напряжение питания: 230 В
- Частота сети: 50/60 Гц
- Тип двигателя: EC
- Модель двигателя: M1G055-BD
- Фазность: 1~
- Частота вращения: 1300 об/мин
- Потребляемая мощность: 8 Вт
- Потребляемый ток: 0,07 А
- Максимальное противодавление: 23 Па
- Подшипники: шарикоподшипники
- Минимальная температура окружающей среды: −30 °C
- Максимальная температура окружающей среды: +50 °C
- Тип тока AC/DC/EC: EC
- Класс защиты: IP 55
- Уровень шума: 42 dB
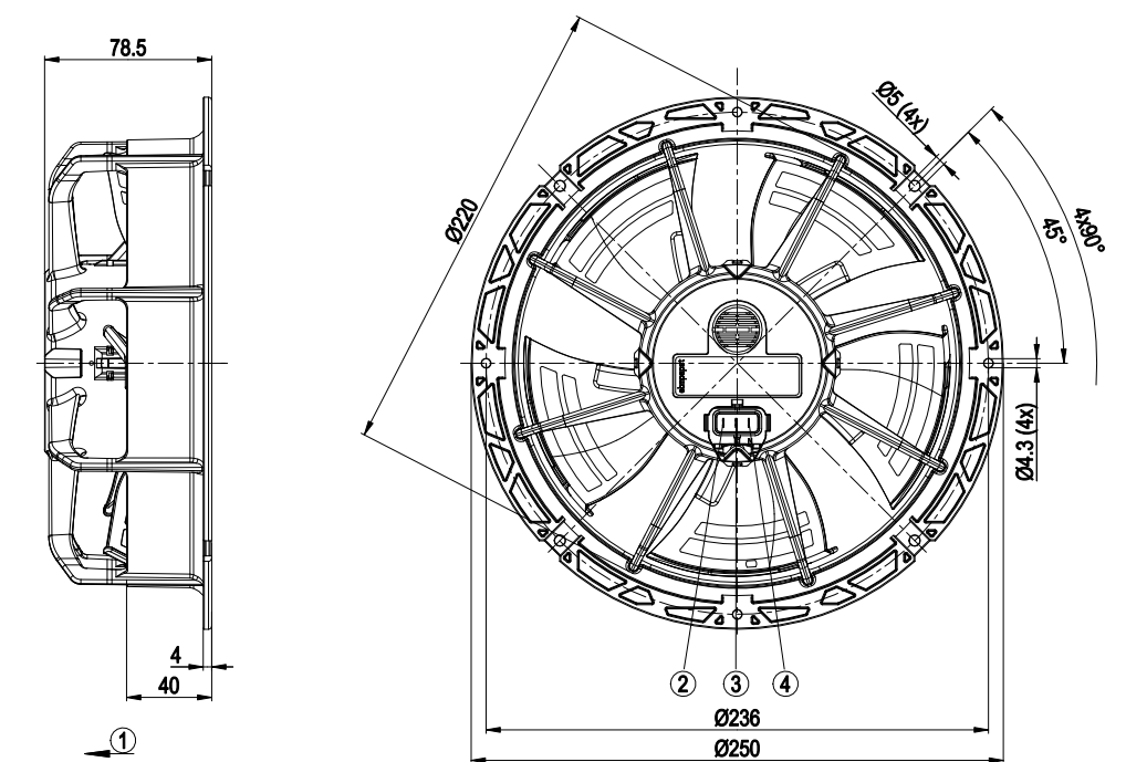
Чертеж и габаритные размеры вентилятора ebmpapst W1G200-EC87-20

Области применения
- Системы вентиляции и кондиционирования воздуха
- Охлаждение электротехнического оборудования
- Холодильное и климатическое оборудование
- Технические шкафы и компактные установки
- Системы с требованиями к низкому энергопотреблению
Преимущества
- Низкое энергопотребление
- Компактный типоразмер
- Надёжная работа за счёт шарикоподшипников
- Подходит для длительной эксплуатации
- EC-технология для повышенной эффективности
Аксессуары
- Защитные решётки
- Монтажные элементы
- Крепёж для установки
- Соединительные кабели и клеммы
Схема подключения

Данные графика производительности по воздуху 50 Hz

Цены на сайте компании могут отличаться от действующего прайс-листа. Чтобы купить или заказать оборудовние, уточнить актуальные цены или наличие артикула товара на складе свяжитесь с нашими менеджерами по контактным телефонам указанным на сайте. Для сравнения и выбора нужной модели используйте фильтры, чтобы осортировать товары по брендам и другим характеристикам. Работаем по Москве и по другим регионам России. Уточняйте информацию по условиям оплаты и срок доставки для каждого региона. Заказы принимаются от 1 штуки. -
Data_sheet_RU_-_W1G200EC8720_KM98543_ Размер: 512,6 кб
-
Вы можете задать любой интересующий вас вопрос по товару или работе магазина.
Наши квалифицированные специалисты обязательно вам помогут.