R6E400-AA04-05 Центробежный вентилятор ebmpapst
Артикул:
R6E400AA0405
31 059 руб./шт
Доступно
-
+
- Характеристики
- Описание
- Техническая документация
- Задать вопрос
-
Номинальное напряжение, В 230 Скорость вращения, об/мин 910 Входная мощность, кВт 0,117 Потребляемый ток, A 0,70 A Степень защиты IP 44 Диаметр крыльчатки, мм 400 Вес, кг 5,2 кг -
Центробежные вентиляторы ebmpapst R6E400-AA04-05 поставляются с лопатками, загнутыми как вперед, так и назад. Бесшумные центробежные вентиляторы с загнутыми вперед лопатками поставляются в виде комбинации крыльчатки и двигателя и в спиральном корпусе. Центробежные вентиляторы с загнутыми назад лопатками оснащены свободно вращающейся крыльчаткой и не нуждаются в спиральном корпусе. В центробежных вентиляторах, оснащенных двигателем с внешним ротором, двигатель установлен в крыльчатке, что обеспечивает не только его оптимальное охлаждение, но и компактность всей конструкции. Вентиляторы всей линейки могут оснащаться как АС-двигателями, так и ЕС-двигателями.
Среди преимуществ центробежных вентиляторов ebm-papst можно назвать полное управление скоростью вращения с помощью аналоговых сигналов или интерфейсов управления, высокий КПД благодаря применению ЕС-технологии, бесшумную работу.
Центробежные вентиляторы применяются в таких сферах , как отопление, вентиляция и кондиционирование воздуха, а также в системах охлаждения и транспортировки газа или воздуха.
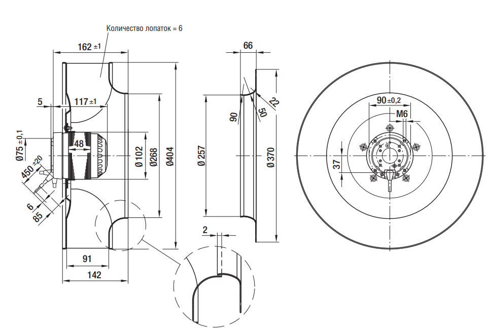
Чертёж вентилятора ebmpapst R6E400-AA04-05

Характеристики производительность по воздуху 50 Гц для вентилятора ebmpapst R6E400-AA04-05

-
Вы можете задать любой интересующий вас вопрос по товару или работе магазина.
Наши квалифицированные специалисты обязательно вам помогут.