R4E250-CG01-01 Центробежный вентилятор ebmpapst
Артикул:
R4E250CG0101
Доступно
Наши менеджеры обязательно свяжутся с вами и уточнят условия заказа
- Характеристики
- Описание
- Техническая документация
- Задать вопрос
-
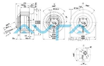
Постоянный/переменный ток AC Минимальная температура окружающей среды, °C -40 [°C] Максимальная температура окружающей среды, °C 80 [°C] Количество фаз 1 Номинальное напряжение, В 230 Скорость вращения, об/мин 1270 Входная мощность, кВт 0,64 Потребляемый ток, A 2.8 [A] Степень защиты IP 54 Диаметр крыльчатки, мм 250 Вес, кг kg 10 KLM -
AC центробежный вентилятор в перёд загнутые лопатки, одностороннее всасывание
Схема подключения:

U1 синий Z коричневый U2 черный TOP 2 x серый PE зеленый/желтый
Характеристики: производительность по воздуху 50 Гц

Измерение: LU-73679-1
Замеры производительности соответствуют ISO 5801 категория А. Для детального уточнения способа замеров, Вам необходимо обратиться к специалистам ebm-papst. Уровень звукового давления со стороны всасывания: LwA по ISO 13347 / LpA с расстоянием 1м от оси вентилятора. Данные действительны только при указанных условиях измерения и могут варьироваться в зависимости от условий установки. При отклонении от стандартной конфигурации, необходимо проверить все значения в собранной установке.
Данные измерений
U n Ped I qV pfs qV pfs V min-1 W A m3/h Pa cfm in. wg 1 230 1270 640 2,8 2015 0 1185 0 2 230 1340 533 2,31 1765 130 1040 0,52 3 230 1385 451 1,97 1495 235 880 0,94 4 230 1425 347 1,55 1035 330 610 1,32
Где: U = Напряжение питания · f = Частота · n = Скорость вращения · Pe = Входная мощность · I = Потребляемый ток · qV = Расход воздуха · Pfs = Увелич. давления
Характеристики: производительность по воздуху 60 Гц

Измерение: LU-74370-1
Замеры производительности соответствуют ISO 5801 категория А. Для детального уточнения способа замеров, Вам необходимо обратиться к специалистам ebm-papst. Уровень звукового давления со стороны всасывания: LwA по ISO 13347 / LpA с расстоянием 1м от оси вентилятора. Данные действительны только при указанных условиях измерения и могут варьироваться в зависимости от условий установки. При отклонении от стандартной конфигурации, необходимо проверить все значения в собранной установке.
Данные измерений
U n Ped I qV pfs qV pfs V min-1 W A m3/h Pa cfm in. wg 1 230 1240 820 3,7 2010 0 1185 0 2 230 1425 755 3,31 1890 150 1110 0,6 3 230 1550 681 2,97 1690 300 995 1,2 4 230 1655 564 2,57 1210 450 710 1,81
Где: U = Напряжение питания · f = Частота · n = Скорость вращения · Pe = Входная мощность · I = Потребляемый ток · qV = Расход воздуха · Pfs = Увелич. давления -
Data_sheet_RU_-_R4E250CG0101_KM98149_ Размер: 423,4 кб
-
Вы можете задать любой интересующий вас вопрос по товару или работе магазина.
Наши квалифицированные специалисты обязательно вам помогут.