R4E225-BK05-03 Центробежный вентилятор ebmpapst
Артикул:
R4E225BK0503
9 007 руб./шт
Доступно
-
+
- Характеристики
- Описание
- Техническая документация
- Задать вопрос
-
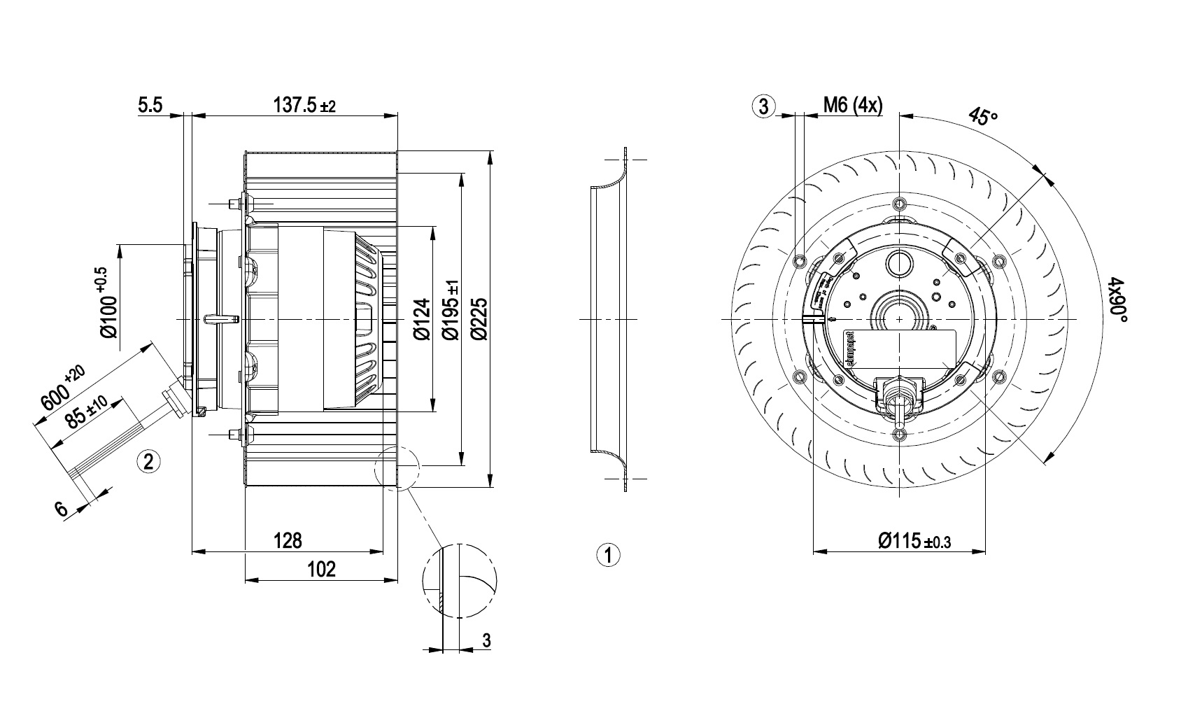
Постоянный/переменный ток AC Минимальная температура окружающей среды, °C -40 [°C] Максимальная температура окружающей среды, °C 70 [°C] Количество фаз 1 Номинальное напряжение, В 230 Скорость вращения, об/мин 1330 Входная мощность, кВт 0,395 Потребляемый ток, A 1.98 [A] Степень защиты IP 54 Диаметр крыльчатки, мм 225 Вес, кг kg 6.1 KLM -
AC центробежный вентилятор в перёд загнутые лопатки, одностороннее всасывание
Схема подключения:

U1 синий Z коричневый U2 черный TOP 2 x серый PE зеленый/желтый
Характеристики: производительность по воздуху 50 Гц

Измерение: LU-54520-1
Замеры производительности соответствуют ISO 5801 категория А. Для детального уточнения способа замеров, Вам необходимо обратиться к специалистам ebm-papst. Уровень звукового давления со стороны всасывания: LwA по ISO 13347 / LpA с расстоянием 1м от оси вентилятора. Данные действительны только при указанных условиях измерения и могут варьироваться в зависимости от условий установки. При отклонении от стандартной конфигурации, необходимо проверить все значения в собранной установке.
Данные измерений
U n Ped I qV pfs qV pfs V min-1 W A m3/h Pa cfm in. wg 1 230 1330 395 1,98 1535 0 905 0 2 230 1370 340 1,76 1335 100 785 0,4 3 230 1400 290 1,58 1105 200 650 0,8 4 230 1435 225 1,39 770 290 450 1,16
Где: U = Напряжение питания · f = Частота · n = Скорость вращения · Pe = Входная мощность · I = Потребляемый ток · qV = Расход воздуха · Pfs = Увелич. давления
Характеристики: производительность по воздуху 60 Гц

Измерение: LU-54523-1
Замеры производительности соответствуют ISO 5801 категория А. Для детального уточнения способа замеров, Вам необходимо обратиться к специалистам ebm-papst. Уровень звукового давления со стороны всасывания: LwA по ISO 13347 / LpA с расстоянием 1м от оси вентилятора. Данные действительны только при указанных условиях измерения и могут варьироваться в зависимости от условий установки. При отклонении от стандартной конфигурации, необходимо проверить все значения в собранной установке.
Данные измерений
U n Ped I qV pfs qV pfs V min-1 W A m3/h Pa cfm in. wg 1 230 1500 500 2,3 1485 100 875 0,4 2 230 1560 443 2 1355 200 795 0,8 3 230 1615 383 1,71 1185 300 695 1,2 4 230 1680 303 1,35 900 400 530 1,61
Где: U = Напряжение питания · f = Частота · n = Скорость вращения · Pe = Входная мощность · I = Потребляемый ток · qV = Расход воздуха · Pfs = Увелич. давления -
Data_sheet_RU_-_R4E225BK0503_KM98149_ Размер: 428,7 кб
-
Вы можете задать любой интересующий вас вопрос по товару или работе магазина.
Наши квалифицированные специалисты обязательно вам помогут.