R4D200-AL12-05 Центробежный вентилятор ebmpapst
Артикул:
R4D200AL1205
7 558 руб./шт
Доступно
-
+
- Характеристики
- Описание
- Техническая документация
- Задать вопрос
-
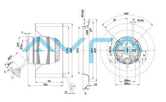
Постоянный/переменный ток AC Минимальная температура окружающей среды, °C -25 [°C] Максимальная температура окружающей среды, °C 45 [°C] Количество фаз 1 Номинальное напряжение, В 230 Скорость вращения, об/мин 1350 Входная мощность, кВт 0,285 Потребляемый ток, A 1.0 [A] Степень защиты IP 44 Диаметр крыльчатки, мм 200 Вес, кг kg 4 KLM -
AC центробежный вентилятор в перёд загнутые лопатки, одностороннее всасывание
Схема подключения:

Двигатель трехфазного Δ Соединение по схеме Y Соединение по схеме L1 = U1 = черный L2 = V1 = синий L3 = W1 = коричневый U2 зеленый V2 белый W2 желтый PE зеленый/желтый
Характеристики: производительность по воздуху 50 Гц

Измерение: LU-105240-1
Замеры производительности соответствуют ISO 5801 категория А. Для детального уточнения способа замеров, Вам необходимо обратиться к специалистам ebm-papst. Уровень звукового давления со стороны всасывания: LwA по ISO 13347 / LpA с расстоянием 1м от оси вентилятора. Данные действительны только при указанных условиях измерения и могут варьироваться в зависимости от условий установки. При отклонении от стандартной конфигурации, необходимо проверить все значения в собранной установке.
Данные измерений
U n Ped I qV pfs qV pfs V min-1 W A m3/h Pa cfm in. wg 1 400 1350 285 0,58 1440 0 850 0 2 400 1385 232 0,51 1120 150 660 0,6 3 400 1420 186 0,48 860 230 505 0,92 4 400 1445 140 0,46 550 260 325 1,04
Где: U = Напряжение питания · f = Частота · n = Скорость вращения · Pe = Входная мощность · I = Потребляемый ток · qV = Расход воздуха · Pfs = Увелич. давления
Характеристики: производительность по воздуху 60 Гц

Измерение: LU-105243-1
Замеры производительности соответствуют ISO 5801 категория А. Для детального уточнения способа замеров, Вам необходимо обратиться к специалистам ebm-papst. Уровень звукового давления со стороны всасывания: LwA по ISO 13347 / LpA с расстоянием 1м от оси вентилятора. Данные действительны только при указанных условиях измерения и могут варьироваться в зависимости от условий установки. При отклонении от стандартной конфигурации, необходимо проверить все значения в собранной установке.
Данные измерений
U n Ped I qV pfs qV pfs V min-1 W A m3/h Pa cfm in. wg 1 400 1530 360 0,65 1230 200 725 0,8 2 400 1585 293 0,52 1100 260 650 1,04 3 400 1635 242 0,45 910 320 535 1,28 4 400 1675 194 0,4 700 350 410 1,41
Где: U = Напряжение питания · f = Частота · n = Скорость вращения · Pe = Входная мощность · I = Потребляемый ток · qV = Расход воздуха · Pfs = Увелич. давления
-
Data_sheet_RU_-_R4D200AL1205_KM96940_ Размер: 391,3 кб
-
Вы можете задать любой интересующий вас вопрос по товару или работе магазина.
Наши квалифицированные специалисты обязательно вам помогут.