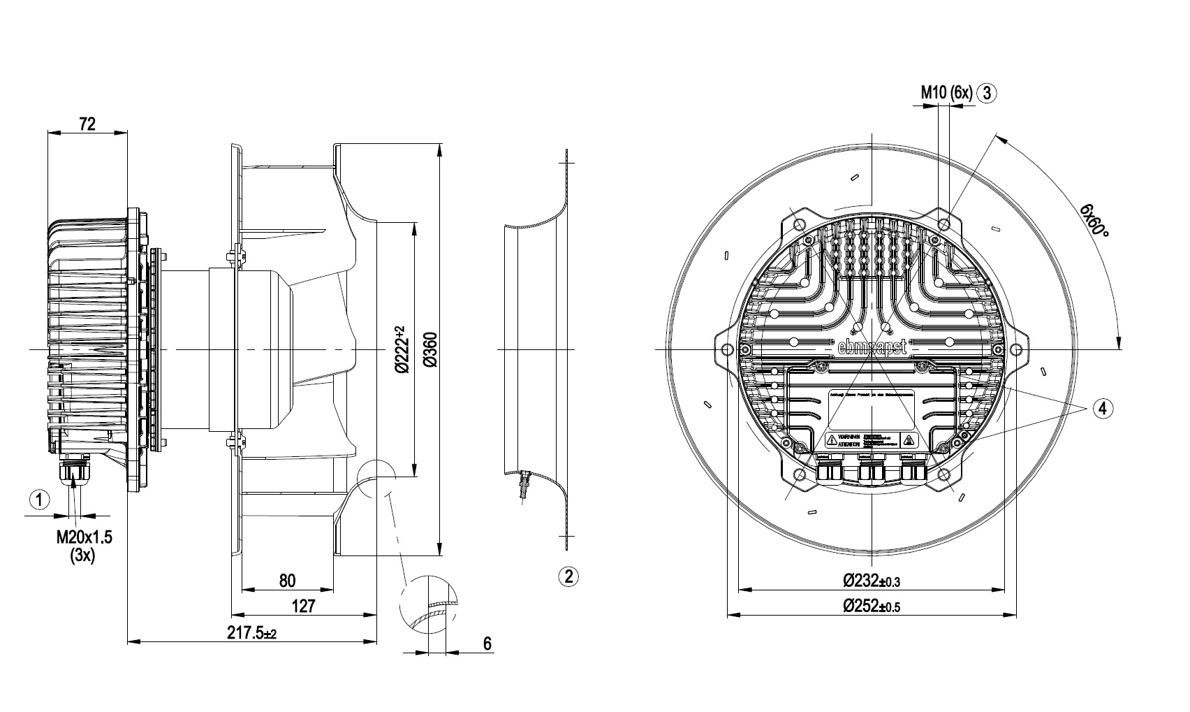
R3G310-AZ88-01 Центробежный (радиальный) вентилятор ebmpapst
Артикул:
R3G310AZ8801
Под заказ
Наши менеджеры обязательно свяжутся с вами и уточнят условия заказа
- Характеристики
- Описание
- Техническая документация
- Задать вопрос
-
Постоянный/переменный ток EC Минимальная температура окружающей среды, °C -25 [°C] Максимальная температура окружающей среды, °C 35 [°C] Количество фаз 3 Уровень шума, dB 89 [dB(A)] Номинальное напряжение, В 400 Скорость вращения, об/мин 4100 Входная мощность, кВт 3,24 Потребляемый ток, A 4.9 [A] Степень защиты IP 54 Количество лопаток 7 KLM Диаметр крыльчатки, мм 310 Вес, кг kg 15 KLM -
EC центробежный вентилятор назад загнутые лопатки, одностороннее всасывание
Схема подключения:

№ Подкл. Маркирование Функция / назначение KL1 1,2,3 L1,L2,L3 Сетевое подключение, питающее напряжение 3 фазн. 380-480 В; 50/60 Гц PE PE PE Заземляющая клемма, подключение защитного заземления KL2 1 NO Реле состояния; плавающий контакт состояния с нулевым потенциалом; замкнут при ошибке KL2 2 COM Реле состояния; плавающий контакт состояния с нулевым потенциалом; переключающий контакт, общее подключение, нагрузка на контакты, макс. 250 В перем. тока / 2 A (AC1)/ мин. 10 мА KL2 3 NC Реле состояния, плавающий контакт состояния с нулевым потенциалом; разомкнут при ошибке KL3 1 RSA Подключение посредством шины RS485; RSA; MODBUS RTU; БСНН KL3 2 RSB Подключение посредством шины RS485; RSB; MODBUS RTU; БСНН KL3 3 GND Заземление для интерфейса управления, БСНН KL3 4 Ain1U Аналоговый вход 1, заданное значение: 0–10 В, Ri = 100 кОм, параметрируемая характеристика; использовать только как альтернативу входу Ain1 I; БСНН KL3 5 +10 V Выход постоянного напряжения 10 В пост. тока, +10 В +/–3 %, макс. 10 мА, с постоянной защитой от коротких замыканий, напряжение питания для внешних устройств (например, потенциометра); БСНН KL3 6 Ain1 I Аналоговый вход 1, заданное значение: 4–20 мА, Ri = 100 кОм, параметрируемая характеристика; использовать только как альтернативу входу Ain1 U; БСНН KL3 7 Din1 Цифровой вход 1: активация электроники,включение: открытый контакт или приложенное напряжение 5–50 В пост. тока блокировка: Токопроводящий мост к заземляющей шине или приложенное напряжение < 1 В пост. тока функция сброса: запуск функции сброса при смене уровня напряжения до < 1 В пост.тока; БСНН KL3 8 Din2 Цифровой вход 2: переключение набора параметров 1/2; после настройки EEPROM действительный или используемый набор параметров можно выбирать либо по шине, либо через цифровой вход DIN2.Набор параметров 1: открытый контакт или приложенное напряжение 5–50 В пост.тока набор параметров 2: токопроводящий мост к заземляющей шине или приложенное напряжение < 1 В пост. тока; БСНН KL3 9 Din3 Цифровой вход 3: Полярность встроенного регулятора; согласно настройкам EEPROM полярность встроенного регулятора выбирается посредством шины или цифрового входа DIN 3;прямой: открытый контакт или приложенное напряжение 5–50 В пост. тока инверсный: токопроводящий мост к заземляющей шине или приложенное напряжение < 1 В пост. тока; БСНН KL3 10 GND Заземление для интерфейса управления, БСНН KL3 11 Ain2 U Аналоговый вход 2, действительное значение: 0–10 В, Ri = 100 кОм,параметрируемая характеристика; использовать только как альтернативу входу Ain2 I; БСНН KL3 12 +20 V Выход постоянного напряжения 20 В пост. тока, +20 В +25/-10 %, макс. 50 мА, с постоянной защитой от коротких замыканий; напряжение питания для внешних устройств (например, датчиков); БСНН Альтернатива: вход +24 В пост. тока для параметризации через MODBUS без сетевого напряжения KL3 13 Ain2 I Аналоговый вход 2, действительное значение: 4–20 мА, Ri = 100 кОм,параметрируемая характеристика; использовать только как альтернативу входу Ain2 U; БСНН KL3 14 Aout Аналоговый выход 0–10 В пост. тока; макс. 5 мА; вывод текущего рабочего цикла двигателя/текущей частоты вращения двигателя параметрируемая кривая, БСНН
Характеристики: производительность по воздуху 50 Гц

ρ = 1,15 kg/m³ ± 2 %
Измерение: LU-158713-1
Замеры производительности соответствуют ISO 5801 категория А. Для детального уточнения способа замеров, Вам необходимо обратиться к специалистам ebm-papst. Уровень звукового давления со стороны всасывания: LwA по ISO 13347 / LpA с расстоянием 1м от оси вентилятора. Данные действительны только при указанных условиях измерения и могут варьироваться в зависимости от условий установки. При отклонении от стандартной конфигурации, необходимо проверить все значения в собранной установке.
Данные измерений
U n Ped I qV pfs qV pfs V min-1 W A m3/h Pa cfm in. wg 1 400 4100 2232 3,44 6235 0 3670 0 2 400 4100 2887 4,41 4990 1000 2935 4,01 3 400 4100 3240 4,9 3660 1750 2155 7,03 4 400 4100 3087 4,71 2630 2100 1550 8,43 5 400 3600 1462 2,26 5415 0 3190 0 6 400 3600 1909 2,92 4345 766 2560 3,08 7 400 3600 2105 3,21 3190 1331 1880 5,34 8 400 3600 2029 3,1 2285 1590 1345 6,38 9 400 3100 934 1,44 4665 0 2745 0 10 400 3100 1219 1,86 3745 568 2205 2,28 11 400 3100 1344 2,05 2750 987 1620 3,96 12 400 3100 1296 1,98 1970 1179 1160 4,73 13 400 2600 551 0,85 3910 0 2305 0 14 400 2600 719 1,1 3140 399 1850 1,6 15 400 2600 793 1,21 2305 695 1355 2,79 16 400 2600 765 1,17 1650 829 970 3,33
Где: U = Напряжение питания · f = Частота · n = Скорость вращения · Pe = Входная мощность · I = Потребляемый ток · qV = Расход воздуха · Pfs = Увелич. давления
-
Data_sheet_RU_-_R3G310AZ8801_KM86907_ Размер: 1,3 мб
-
Вы можете задать любой интересующий вас вопрос по товару или работе магазина.
Наши квалифицированные специалисты обязательно вам помогут.