R2S133-AE17-43 Центробежный вентилятор ebmpapst
Артикул:
R2S133AE1743
Доступно
Наши менеджеры обязательно свяжутся с вами и уточнят условия заказа
- Характеристики
- Описание
- Техническая документация
- Задать вопрос
-
Постоянный/переменный ток AC Минимальная температура окружающей среды, °C -20 [°C] Максимальная температура окружающей среды, °C 45 [°C] Количество фаз 1 Номинальное напряжение, В 230 Скорость вращения, об/мин 2650 Входная мощность, кВт 0,037 Потребляемый ток, A 0.24 [A] Степень защиты IP 54 Количество лопаток 7 KLM Диаметр крыльчатки, мм 133 Вес, кг kg 0.7 KLM -
AC центробежный вентилятор назад загнутые лопатки, одностороннее всасывание
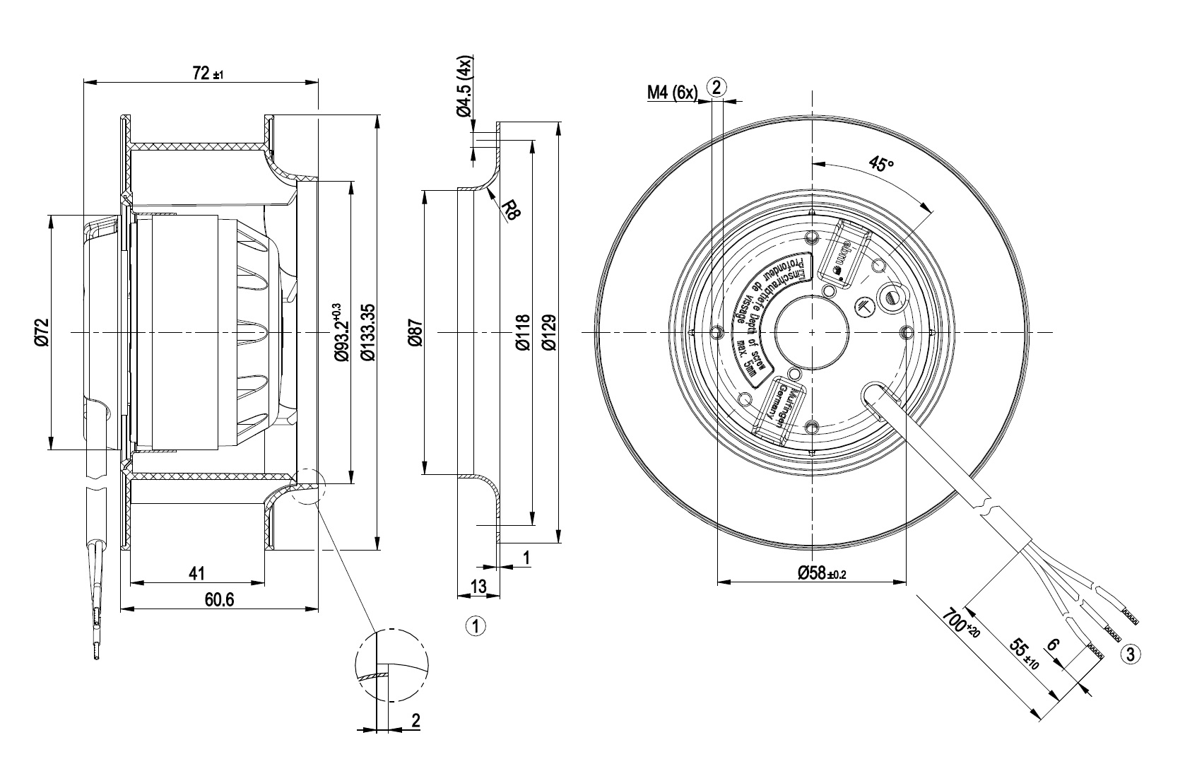
Схема подключения:

L =синий PE =зеленый/желтый N =коричневый TOP =реле контроля
Характеристики: производительность по воздуху 50 Гц

Измерение: LU-61919-1
Замеры производительности соответствуют ISO 5801 категория А. Для детального уточнения способа замеров, Вам необходимо обратиться к специалистам ebm-papst. Уровень звукового давления со стороны всасывания: LwA по ISO 13347 / LpA с расстоянием 1м от оси вентилятора. Данные действительны только при указанных условиях измерения и могут варьироваться в зависимости от условий установки. При отклонении от стандартной конфигурации, необходимо проверить все значения в собранной установке.
Данные измерений
U n Ped I qV pfs qV pfs V min-1 W A m3/h Pa cfm in. wg 1 230 2650 37 0,24 215 0 125 0 2 230 2630 38 0,24 180 40 105 0,16 3 230 2630 37 0,24 135 80 80 0,32 4 230 2655 37 0,24 80 110 50 0,44
Где: U = Напряжение питания · f = Частота · n = Скорость вращения · Pe = Входная мощность · I = Потребляемый ток · qV = Расход воздуха · Pfs = Увелич. давления
Характеристики: производительность по воздуху 60 Гц

Измерение: LU-61921-1
Замеры производительности соответствуют ISO 5801 категория А. Для детального уточнения способа замеров, Вам необходимо обратиться к специалистам ebm-papst. Уровень звукового давления со стороны всасывания: LwA по ISO 13347 / LpA с расстоянием 1м от оси вентилятора. Данные действительны только при указанных условиях измерения и могут варьироваться в зависимости от условий установки. При отклонении от стандартной конфигурации, необходимо проверить все значения в собранной установке.
Данные измерений
U n Ped I qV pfs qV pfs V min-1 W A m3/h Pa cfm in. wg 1 230 2950 36 0,21 240 0 140 0 2 230 2810 38 0,22 190 50 110 0,2 3 230 2835 37 0,21 135 100 80 0,4 4 230 2960 35 0,21 75 140 45 0,56
Где: U = Напряжение питания · f = Частота · n = Скорость вращения · Pe = Входная мощность · I = Потребляемый ток · qV = Расход воздуха · Pfs = Увелич. давления
-
Data_sheet_RU_-_R2S133AE1743_KM99006_ Размер: 355,3 кб
-
Вы можете задать любой интересующий вас вопрос по товару или работе магазина.
Наши квалифицированные специалисты обязательно вам помогут.