R2E180-CB28-01 Центробежный вентилятор ebmpapst
Артикул:
R2E180CB2801
23 481 руб./шт
Доступно
-
+
- Характеристики
- Описание
- Техническая документация
- Задать вопрос
-
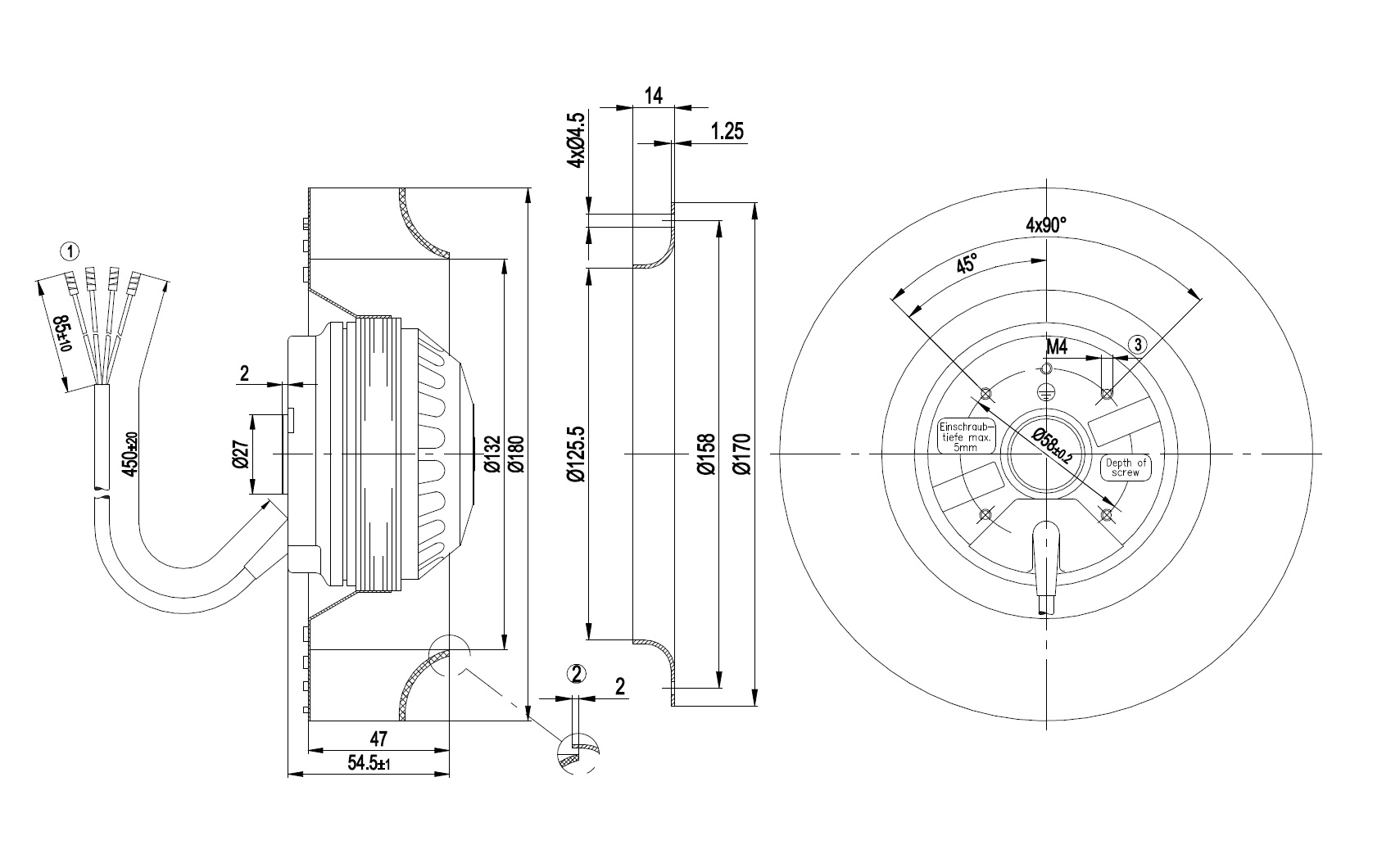
Постоянный/переменный ток AC Минимальная температура окружающей среды, °C -25 [°C] Максимальная температура окружающей среды, °C 40 [°C] Количество фаз 1 Номинальное напряжение, В 230 Скорость вращения, об/мин 2550 Входная мощность, кВт 0,06 Потребляемый ток, A 0.28 [A] Степень защиты IP 44 Количество лопаток 16 KLM Диаметр крыльчатки, мм 180 Вес, кг kg 1.3 KLM -
AC центробежный вентилятор назад загнутые лопатки
Схема подключения:
U1 синий Z коричневый U2 черный PE зеленый/желтый
Характеристики: производительность по воздуху 50 Гц

Измерение: LU-57242-1
Замеры производительности соответствуют ISO 5801 категория А. Для детального уточнения способа замеров, Вам необходимо обратиться к специалистам ebm-papst. Уровень звукового давления со стороны всасывания: LwA по ISO 13347 / LpA с расстоянием 1м от оси вентилятора. Данные действительны только при указанных условиях измерения и могут варьироваться в зависимости от условий установки. При отклонении от стандартной конфигурации, необходимо проверить все значения в собранной установке.
Данные измерений
U n Ped I qV pfs qV pfs V min-1 W A m3/h Pa cfm in. wg 1 230 2550 60 0,28 440 0 260 0 2 230 2485 62 0,28 335 100 195 0,4 3 230 2535 60 0,27 245 170 145 0,68 4 230 2630 55 0,26 130 220 75 0,88
Где: U = Напряжение питания · f = Частота · n = Скорость вращения · Pe = Входная мощность · I = Потребляемый ток · qV = Расход воздуха · Pfs = Увелич. давления
Характеристики: производительность по воздуху 60 Гц

Измерение: LU-57243-1
Замеры производительности соответствуют ISO 5801 категория А. Для детального уточнения способа замеров, Вам необходимо обратиться к специалистам ebm-papst. Уровень звукового давления со стороны всасывания: LwA по ISO 13347 / LpA с расстоянием 1м от оси вентилятора. Данные действительны только при указанных условиях измерения и могут варьироваться в зависимости от условий установки. При отклонении от стандартной конфигурации, необходимо проверить все значения в собранной установке.
Данные измерений
U n Ped I qV pfs qV pfs V min-1 W A m3/h Pa cfm in. wg 1 230 2800 75 0,33 475 0 280 0 2 230 2670 79 0,34 375 100 220 0,4 3 230 2725 77 0,33 295 180 175 0,72 4 230 2895 71 0,31 170 260 100 1,04
Где: U = Напряжение питания · f = Частота · n = Скорость вращения · Pe = Входная мощность · I = Потребляемый ток · qV = Расход воздуха · Pfs = Увелич. давления
-
Data_sheet_RU_-_R2E180CB2801_KM96940_ Размер: 287,4 кб
-
Вы можете задать любой интересующий вас вопрос по товару или работе магазина.
Наши квалифицированные специалисты обязательно вам помогут.