R2E175-AR70-05 Центробежный вентилятор ebmpapst
Артикул:
R2E175AR7005
19 027 руб./шт
Доступно
-
+
- Характеристики
- Описание
- Техническая документация
- Задать вопрос
-
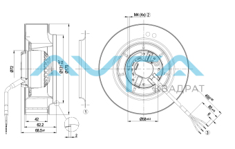
Постоянный/переменный ток AC Минимальная температура окружающей среды, °C -25 [°C] Максимальная температура окружающей среды, °C 60 [°C] Количество фаз 1 Номинальное напряжение, В 230 Скорость вращения, об/мин 2600 Входная мощность, кВт 0,038 Потребляемый ток, A 0.17 [A] Степень защиты IP 54 Количество лопаток 7 KLM Диаметр крыльчатки, мм 175 Вес, кг kg 0.9 KLM -
AC центробежный вентилятор назад загнутые лопатки, одностороннее всасывание
Схема подключения:

U1 синий Z коричневый U2 черный PE зеленый/желтый
Характеристики: производительность по воздуху 50 Гц

ρ = 1,15 kg/m³ ± 2 %
Измерение: LU-122918-1
Замеры производительности соответствуют ISO 5801 категория А. Для детального уточнения способа замеров, Вам необходимо обратиться к специалистам ebm-papst. Уровень звукового давления со стороны всасывания: LwA по ISO 13347 / LpA с расстоянием 1м от оси вентилятора. Данные действительны только при указанных условиях измерения и могут варьироваться в зависимости от условий установки. При отклонении от стандартной конфигурации, необходимо проверить все значения в собранной установке.
Данные измерений
Где: U = Напряжение питания · f = Частота · n = Скорость вращения · Pe = Входная мощность · I = Потребляемый ток · qV = Расход воздуха · Pfs = Увелич. давленияU n Ped I qV pfs qV pfs V min-1 W A m3/h Pa cfm in. wg 1 230 2600 38 0,17 465 0 275 0 2 230 2510 39 0,17 380 70 220 0,28 3 230 2445 41 0,18 280 130 165 0,52 4 230 2500 39 0,17 140 180 85 0,72
Характеристики: производительность по воздуху 60 Гц

ρ = 1,15 kg/m³ ± 2 %
Измерение: LU-122920-1
Замеры производительности соответствуют ISO 5801 категория А. Для детального уточнения способа замеров, Вам необходимо обратиться к специалистам ebm-papst. Уровень звукового давления со стороны всасывания: LwA по ISO 13347 / LpA с расстоянием 1м от оси вентилятора. Данные действительны только при указанных условиях измерения и могут варьироваться в зависимости от условий установки. При отклонении от стандартной конфигурации, необходимо проверить все значения в собранной установке.
Данные измерений
U n Ped I qV pfs qV pfs V min-1 W A m3/h Pa cfm in. wg 1 230 2950 44 0,2 535 0 315 0 2 230 2825 47 0,21 435 80 255 0,32 3 230 2695 49 0,22 320 150 190 0,6 4 230 2765 48 0,21 175 220 100 0,88
Где: U = Напряжение питания · f = Частота · n = Скорость вращения · Pe = Входная мощность · I = Потребляемый ток · qV = Расход воздуха · Pfs = Увелич. давления
-
Data_sheet_RU_-_R2E175AR7005_KM98848_ Размер: 453,7 кб
-
Вы можете задать любой интересующий вас вопрос по товару или работе магазина.
Наши квалифицированные специалисты обязательно вам помогут.