YWF4E-450S-137/35-G Осевой вентилятор Weiguang
Артикул:
YWF4E-450S-137/35-G
8 926 руб./шт
Под заказ
-
+
- Характеристики
- Описание
- Техническая документация
- Задать вопрос
-
Постоянный/переменный ток AC Минимальная температура окружающей среды, °C -30 Максимальная температура окружающей среды, °C +60 Уровень шума, dB 70 Номинальное напряжение, В 220 Скорость вращения, об/мин 1380 Входная мощность, кВт 0,37 Потребляемый ток, A 1,7 Степень защиты IP 54 Диаметр крыльчатки, мм 450 Вес, кг 8,5 -
Weiguang YWF4E-450S-137/35-G — это осевой AC-вентилятор промышленного назначения с круглой решеткой , предназначенный для обеспечения эффективной вентиляции, охлаждения и воздухообмена в системах кондиционирования, холодильной технике и других промышленных установках. Компактный и надёжный, он идеально подходит для монтажа в теплообменниках, вентиляционных системах и холодильных агрегатах, кондиционерах, воздухоохладителях.
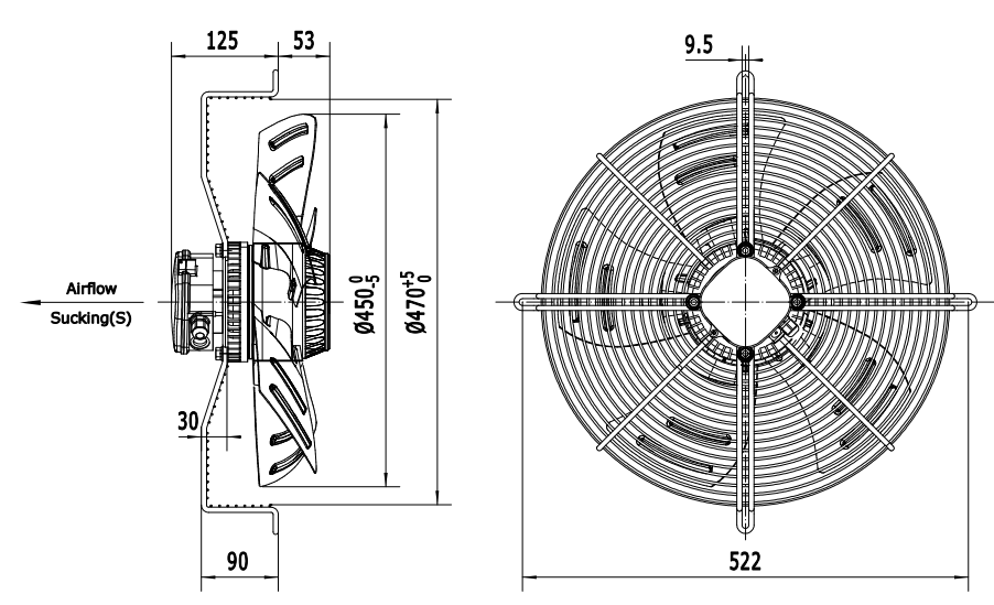
Чертеж осевого вентилятора Weiguang YWF4E-450S-137/35-G:

Схема подключения осевого вентилятора Weiguang YWF4E-450S-137/35-G:

Характеристики производительности осевого вентилятора Weiguang YWF4E-450S-137/35-G:
-
YWF4E-450S-137L35-G Размер: 435,7 кб
-
Вы можете задать любой интересующий вас вопрос по товару или работе магазина.
Наши квалифицированные специалисты обязательно вам помогут.