DC072/25B3G01-B190/44P1-01 Вентилятор Weiguang
Доступно
Наши менеджеры обязательно свяжутся с вами и уточнят условия заказа
- Характеристики
- Описание
- Техническая документация
- Задать вопрос
-
Постоянный/переменный ток DC Уровень шума, dB 68 дБА Скорость вращения, об/мин 2950 Входная мощность, кВт 0,051 Потребляемый ток, A 2,1 Степень защиты IP 42 -
Центробежный (радиальный) вентилятор DC072/25B3G01-B190/44P1-01 от китайской компании Weiguang создаёт мощную циркуляцию воздуха благодаря своей конструкции: крыльчатка, расположенная внутри спиралевидного корпуса, приводится в движение электродвигателем постоянного тока, выталкивая воздушные массы под воздействием центробежной силы с высокой скоростью.
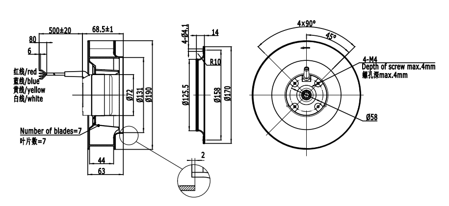
Чертеж вентилятора Weiguang DC072/25B3G01-B190/44P1-01:

Характеристики производительности вентилятора Weiguang DC072/25B3G01-B190/44P1-01:

-
DC072-25B3G01-B190-44P1-01 Размер: 5,7 мб
-
Вы можете задать любой интересующий вас вопрос по товару или работе магазина.
Наши квалифицированные специалисты обязательно вам помогут.