R3G560-8317081579 Центробежный ЕС-вентилятор ebmpapst RadiCal (для дата-центров)
Артикул:
R3G560-8317081579
115 613 руб./шт
Под заказ
-
+
- Характеристики
- Описание
- Техническая документация
- Задать вопрос
-
Постоянный/переменный ток EC Минимальная температура окружающей среды, °C -40 Максимальная температура окружающей среды, °C +40 Номинальное напряжение, В 400 Скорость вращения, об/мин 1900 Входная мощность, кВт 3,95 Потребляемый ток, A 6 Степень защиты IP 54 Диаметр крыльчатки, мм 560 Вес, кг 20,9 -
ebmpapst R3G560-8317081579 RadiCal — это высокоэффективный центробежный вентилятор с электронно-коммутируемым (ЕС) двигателем, предназначенный для применения в промышленных и коммерческих системах вентиляции, кондиционирования и охлаждения. Благодаря рабочему колесу диаметром 560 мм с назад загнутыми лопатками, вентилятор обеспечивает мощный воздушный поток при низком уровне шума и энергопотребления.
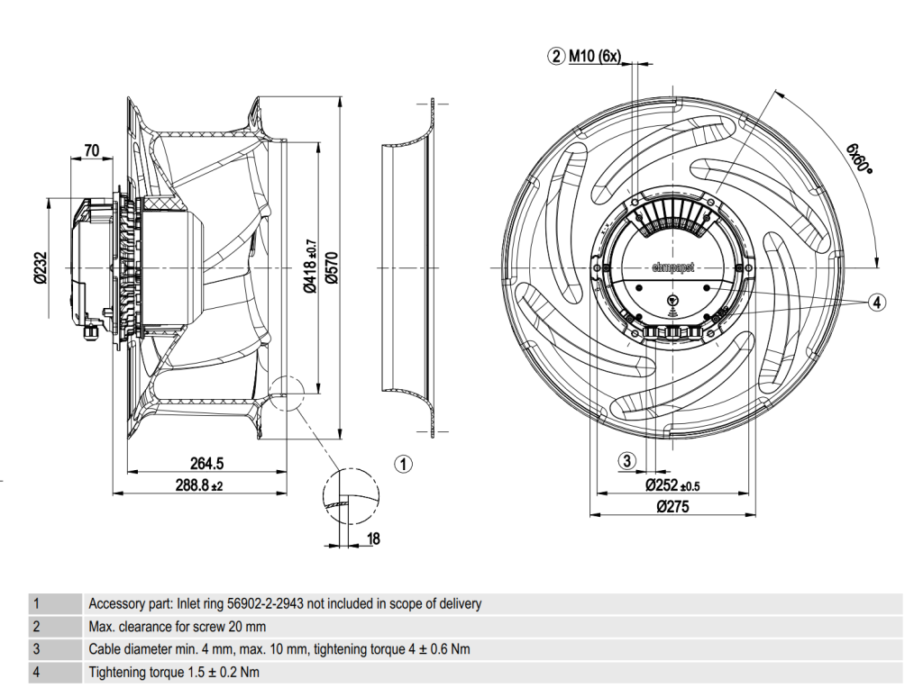
Чертеж центробежного EC-вентилятора RadiCal R3G560-8317081579:

Схема подключения центробежного EC-вентилятора RadiCal R3G560-8317081579:
Характеристики производительности центробежного EC-вентилятора RadiCal R3G560-8317081579:
Конструктивные особенности
- Тип вентилятора: центробежный, одностороннего всасывания
- Диаметр рабочего колеса: 560 мм
- Крыльчатка: с назад загнутыми лопатками — обеспечивает высокий КПД и устойчивость к загрязнениям
- Тип двигателя: интегрированный EC-мотор (электронно-коммутируемый)
- Управление: аналоговый сигнал 0–10 В, ШИМ (PWM), возможна интеграция в автоматизированные системы
- Степень защиты: IP54 и выше
- Тип подшипников: шариковые, необслуживаемые
- Монтаж: в составе приточно-вытяжных установок, климатических и холодильных агрегатов
Преимущества
- Энергоэффективность — соответствует требованиям европейской директивы ErP
- Плавное регулирование оборотов — точное управление производительностью
- Низкий уровень шума при высокой производительности
- Компактность и простота установки
- Надёжная эксплуатация в круглосуточном режиме
- Снижение затрат на обслуживание за счёт долговечных компонентов
Области применения
- Системы вентиляции и кондиционирования воздуха (HVAC)
- Приточно-вытяжные установки
- Центральные кондиционеры и руфтопы
- Серверные и телекоммуникационные системы охлаждения
- Производственные помещения, логистические центры, торговые и офисные здания
- Холодильные и климатические установки
-
R3G560-8317081579 Размер: 2,5 мб
-
Вы можете задать любой интересующий вас вопрос по товару или работе магазина.
Наши квалифицированные специалисты обязательно вам помогут.