K3G500-8317081582 Центробежный ЕС-вентилятор ebmpapst RadiCal (для дата-центров)
Артикул:
K3G500-8317081582
Под заказ
Наши менеджеры обязательно свяжутся с вами и уточнят условия заказа
- Характеристики
- Описание
- Техническая документация
- Задать вопрос
-
Постоянный/переменный ток EC Минимальная температура окружающей среды, °C -40 Максимальная температура окружающей среды, °C +40 Номинальное напряжение, В 400 Скорость вращения, об/мин 1900 Входная мощность, кВт 2,85 Потребляемый ток, A 4,4 Степень защиты IP 55 Диаметр крыльчатки, мм 500 -
K3G500-8317081582 - это мощный и надёжный центробежный вентилятор с электронно-коммутируемым (EC) двигателем, предназначенный для использования в промышленных и коммерческих системах вентиляции, кондиционирования и охлаждения. Оснащён рабочим колесом с назад загнутыми лопатками, что обеспечивает высокий уровень производительности, энергоэффективность и стабильную работу даже при длительной нагрузке.
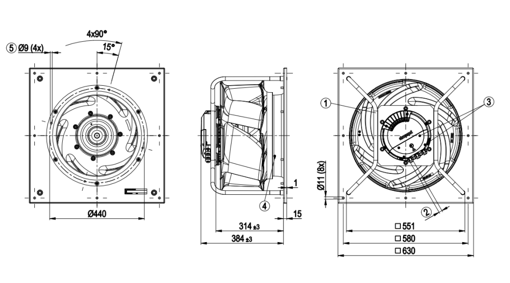
Чертёж вентилятора ebmpapst K3G500-8317081582:

Схема подключения вентилятора K3G500-8317081582:Характеристики производительности по воздуху вентилятора K3G500-8317081582:

-
K3G500-8317081582_SPEC Размер: 1,1 мб
-
Вы можете задать любой интересующий вас вопрос по товару или работе магазина.
Наши квалифицированные специалисты обязательно вам помогут.