R3G630-FB32-03 Центробежный EC-вентилятор ebmpapst RadiCal (для дата-центров)
Артикул:
R3G630FB3203
113 853 руб./шт
Под заказ
-
+
- Характеристики
- Описание
- Техническая документация
- Задать вопрос
-
Постоянный/переменный ток EC Минимальная температура окружающей среды, °C -40 Максимальная температура окружающей среды, °C +40 Номинальное напряжение, В 400 Скорость вращения, об/мин 1420 Входная мощность, кВт 3,7 Потребляемый ток, A 5,7 Степень защиты IP 55 Диаметр крыльчатки, мм 630 -
R3G630FB3203 — это мощный и энергоэффективный центробежный вентилятор с электронно-коммутируемым (ЕС) двигателем, разработанный для систем вентиляции и кондиционирования воздуха. Оснащён рабочим колесом диаметром 630 мм с назад загнутыми лопатками, что обеспечивает высокую производительность при компактных габаритах и сниженной шумовой нагрузке.
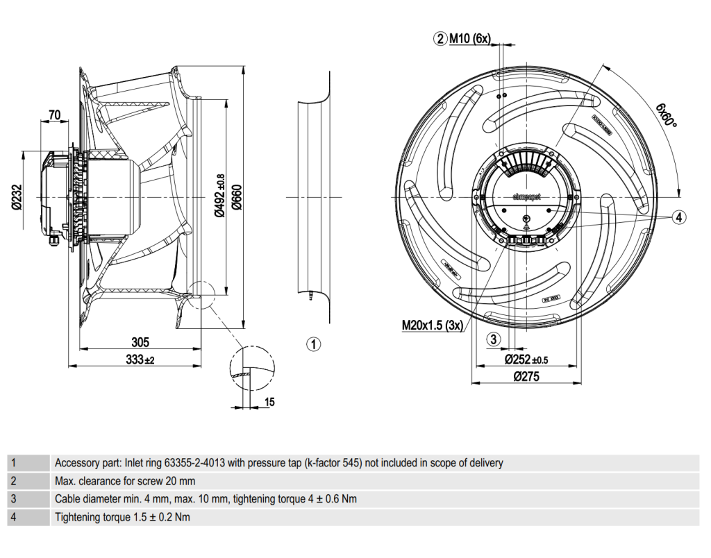
Чертеж центробежного EC-вентилятора RadiCal R3G630FB3203:
Схема подключения центробежного EC-вентилятора RadiCal R3G630FB3203:

Характеристики производительности центробежного EC-вентилятора RadiCal R3G630FB3203:

-
R3G630FB3203 Размер: 1,2 мб
-
Вы можете задать любой интересующий вас вопрос по товару или работе магазина.
Наши квалифицированные специалисты обязательно вам помогут.